To the top of the document
Cruze
   
GMDE Start Page Load static TOC Load dynamic TOC Help?

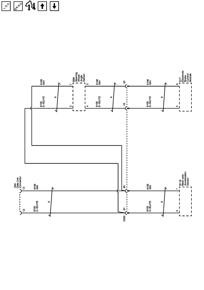
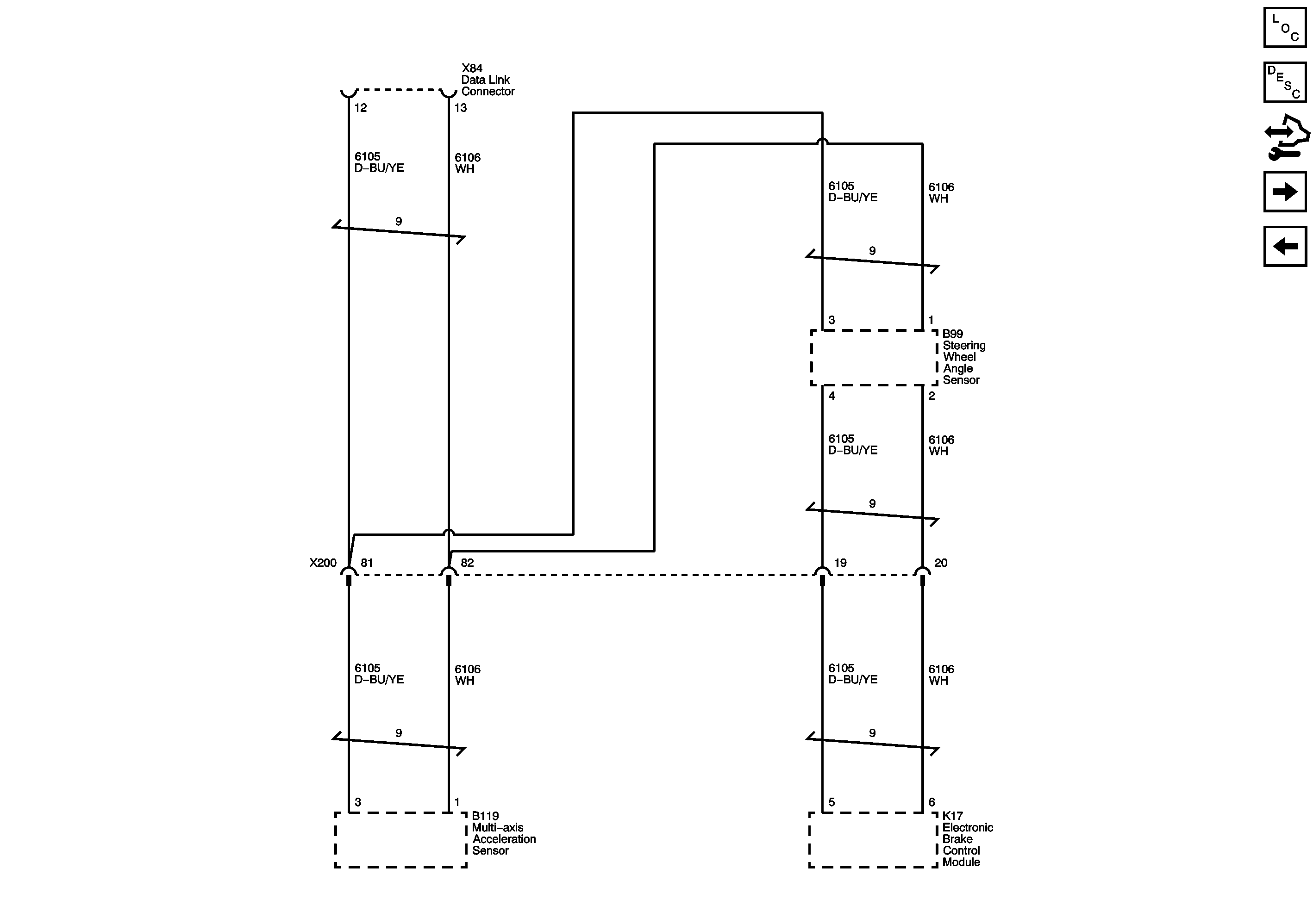
Chassis Expansion Bus (FX3)



            |                         |            
2443708EN.png

Display graphic

Master Electrical Component List

Data Link Communications Description and Operation

Control Module References

Enable Serial Data

Low Speed GMLAN

Master Electrical Schematic Icons

   


© Copyright Chevrolet. All rights reserved