Cruze |
||||||||
|
|
|
|||||||

Master Electrical Component List
Interior Lighting Systems Description and Operation
Interior Lights Dimming (1 of 2)
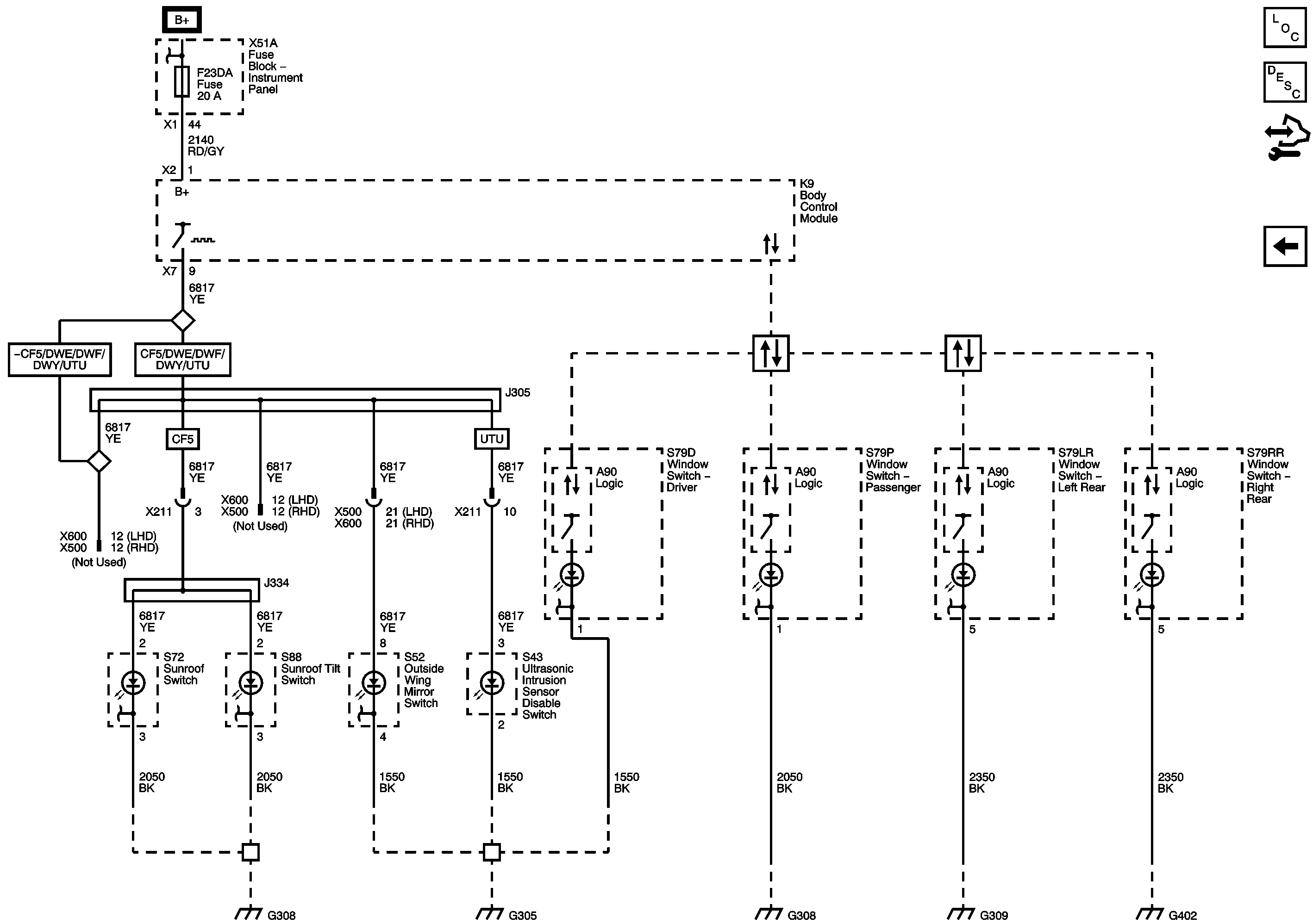
F12DA and F13DA Circuit Breakers, and F14DA, F15DA, F17DA, F21DA, F23DA, F24DA, and F25DA Fuses
| © Copyright Chevrolet. All rights reserved |