Cruze |
||||||||
|
|
|
|||||||

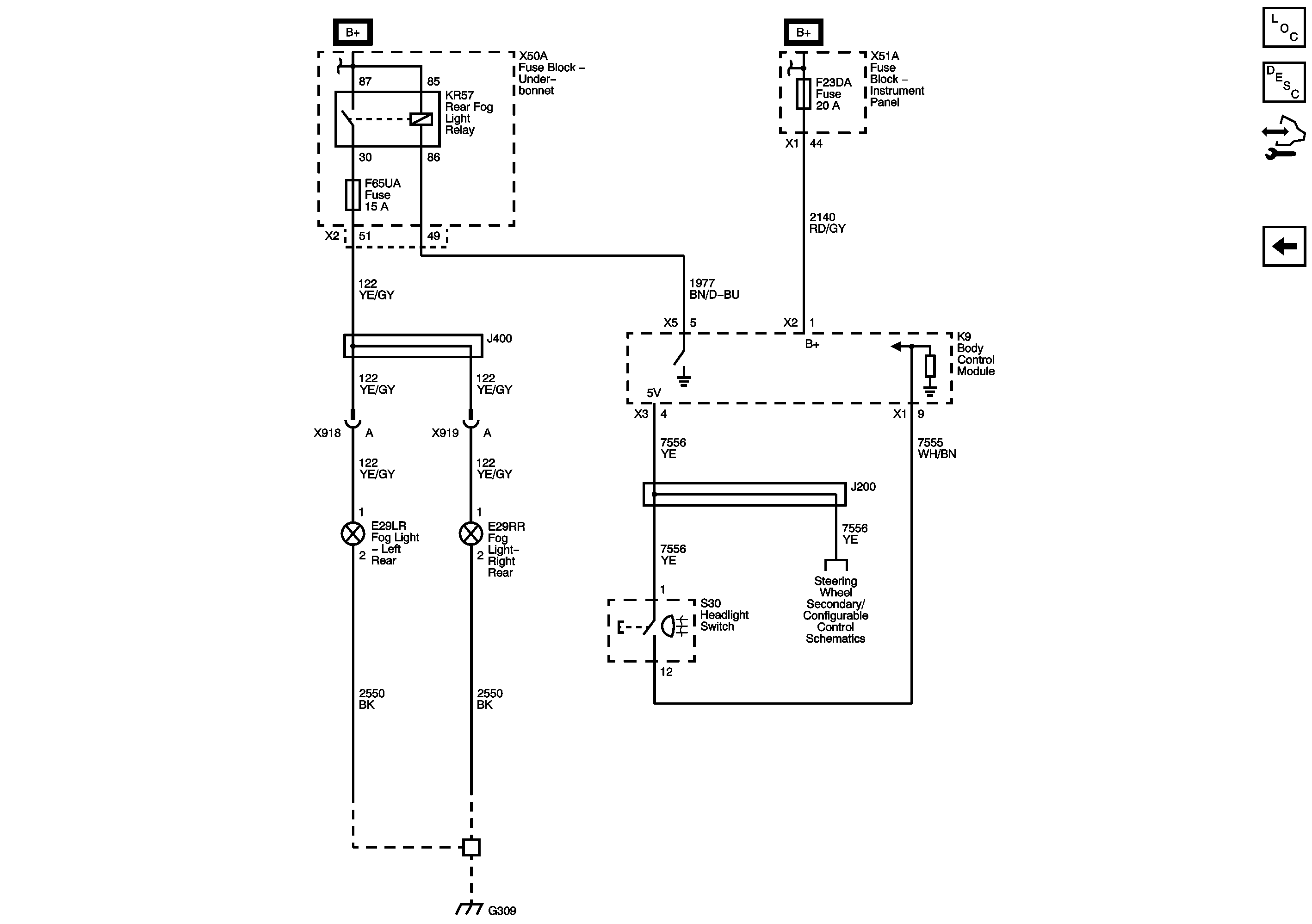
Master Electrical Component List
Electrical Centre Identification Views
F12DA and F13DA Circuit Breakers, and F14DA, F15DA, F17DA, F21DA, F23DA, F24DA, and F25DA Fuses
F5UA, F13UA, F53UA, and F65UA Fuses
| © Copyright Chevrolet. All rights reserved |