Cruze |
||||||||
|
|
|
|||||||

Master Electrical Component List
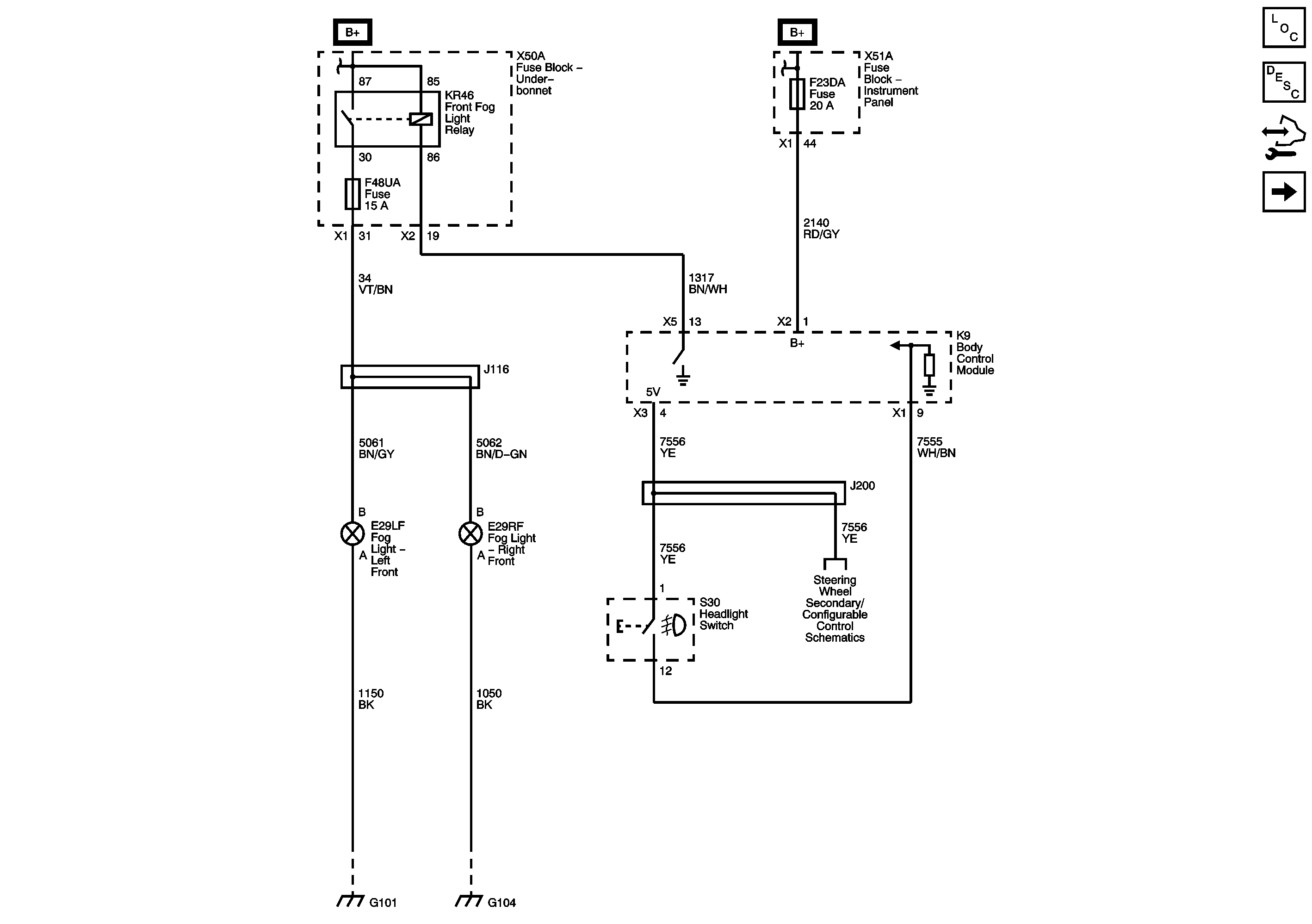
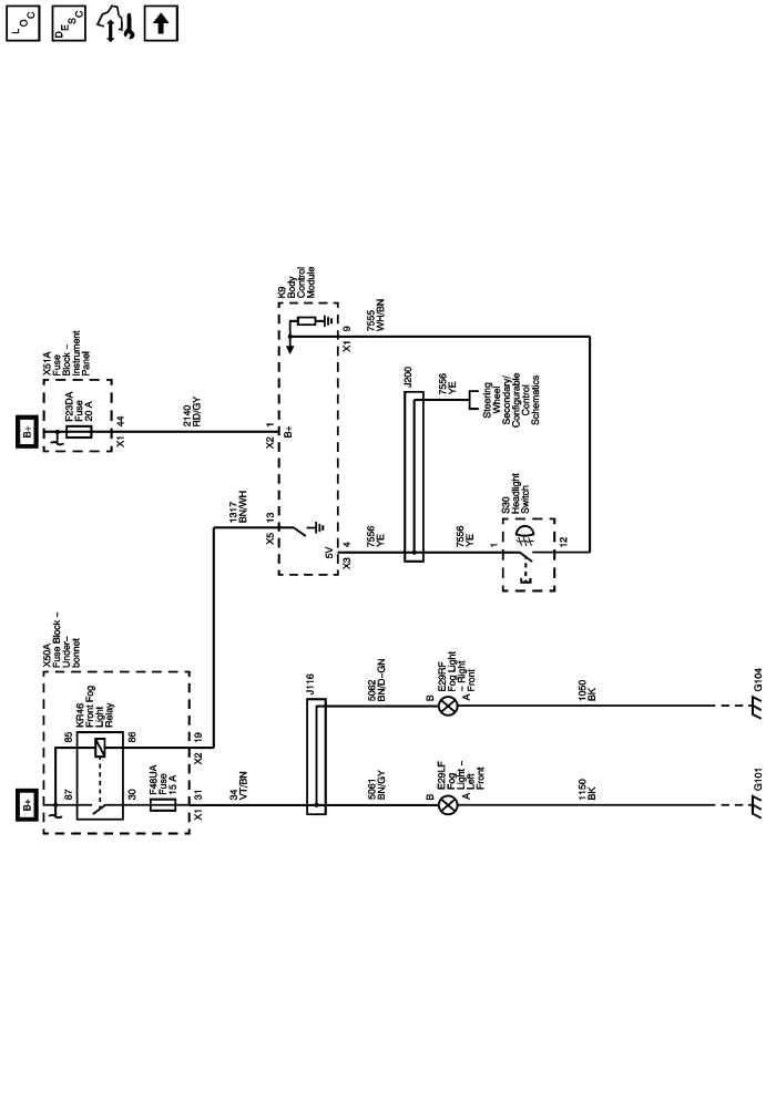
Exterior Lighting Systems Description and Operation
Electrical Centre Identification Views
F12DA and F13DA Circuit Breakers, and F14DA, F15DA, F17DA, F21DA, F23DA, F24DA, and F25DA Fuses
F5UB, F6UB, F24UA, F45UA, and F48UA Fuses
| © Copyright Chevrolet. All rights reserved |