To the top of the document
Cruze
   
GMDE Start Page Load static TOC Load dynamic TOC Help?

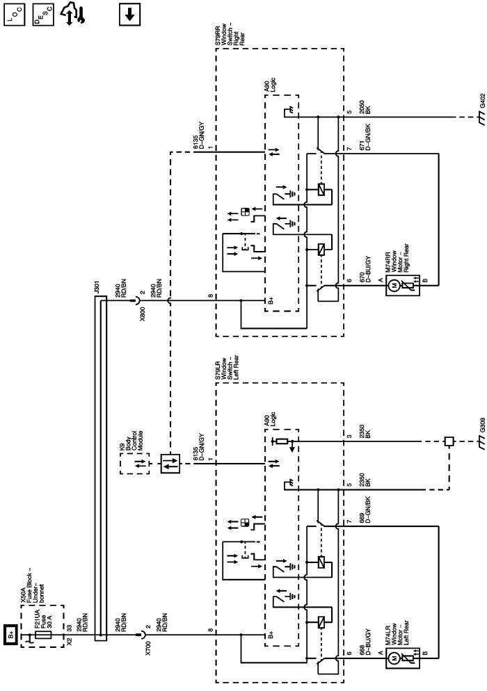
Rear Doors (AEQ)



            |                         |            
2443419EN.png

Display graphic

Master Electrical Component List

Power Windows Description and Operation

Control Module References

Passenger Door (AED)

F2UA, F21UA, F25UA, F27UA, F31UA, F32UA, F34UA, F35UA, F69UA, and F70UA Fuses

Data Communication Schematics

G309

G400 and G402

   


© Copyright Chevrolet. All rights reserved