To the top of the document
Cruze
   
GMDE Start Page Load static TOC Load dynamic TOC Help?

Engine Replacement - Manual Gearbox

Special Tools

    • EN-796-A Remover Quick Fitting
    • CH-807 Closure Plugs
    • CH-904 Base Frame
    • EN-6015 Closure Plugs
    • CH-49289 Centring Adapter
    • CH-49290 Mounting Engine / Transmission
    • EN-50057 Engine Overhaul Stand

For equivalent regional tools, refer to Special Tools .

Removal Procedure

  1. Remove the lower intermediate steering shaft bolt. Refer to Intermediate Steering Shaft Replacement .
  2. Open the bonnet.
  3. Remove the engine sight shield. Refer to Engine Sight Shield Replacement .
  4. Recover the refrigerant. Refer to Refrigerant Recovery and Recharging .
  5. Remove the battery tray. Refer to Battery Tray Replacement .

  6. 2027870
  7. Remove the front compartment fuse block cover (1).

  8. 2027871
  9. Remove the 3 front compartment fuse block bolts (1).
  10. Remove the front compartment fuse block (2).

  11. 2027872
  12. Unclip the 3 wiring harness plugs (3).
  13. Disconnect the wiring harness plug from the front compartment fuse block.

  14. 2027867
  15. Remove the 3 ground nuts (1) and put the 4 wiring harness (2) aside.

  16. 2027866
  17. Disconnect the 2 wiring harness plugs (1, 2).
  18. Remove the air cleaner assembly. Refer to Air Cleaner Assembly Replacement .
  19. Remove the front bumper fascia. Refer to Front Bumper Fascia Replacement .
  20. Remove the front tyre and wheel assembly. Refer to Tyre and Wheel Removal and Installation .
  21. Drain the cooling system. Refer to Cooling System Draining and Filling .
  22. Unclip the radiator surge tank.
  23. Put the radiator surge tank aside.
  24. Remove the 2 manual gearbox selector lever cable from the transmission. Refer to Manual Gearbox Gear Lever and Selector Lever Cable Replacement .
  25. Remove the heater inlet hose from the bulkhead. Refer to Heater Inlet Hose Replacement : 2.0L Diesel LNP → 1.4L LUJ → 1.6L LDE, LXV, and 1.8L 2H0 → 1.6L LXT and L2W → 2.0L Diesel LLW .
  26. Remove the heater outlet hose from the bulkhead. Refer to Heater Outlet Hose Replacement : 2.0L Diesel LNP → 1.4L LUJ → 1.6L LDE, LXV, and 1.8L 2H0 → 1.6L LXT and L2W → 2.0L Diesel LLW .
  27. Remove power steering fluid reservoir bolt.
  28. Unclip power steering fluid reservoir and support it on the engine.

  29. 2512540
  30. Disconnect the fuel injection pump wiring harness plug (4).
  31. Disconnect the fuel feed front pipe (5) and unclip from the fuel return front pipe clip. Refer to Plastic Collar Quick Connect Fitting Service .
  32. Close the fuel feed front pipe (5) with the EN-6015 closure plugs .
  33. Disconnect the fuel return front pipe (2), using the EN-796-A remover . Refer to Plastic Collar Quick Connect Fitting Service .
  34. Close the fuel injection fuel return pipe with the CH-807 closure plugs .

  35. 2027259
  36. Remove A/C compressor and condenser hose nut (1) from refrigerant hose (2).

  37. 2191542
  38. Remove the lower and upper condenser hose nuts and the lower and upper condenser hoses (1, 2).
  39. Remove the exhaust front pipe. Refer to Exhaust Front Pipe Replacement : 2.0L Diesel LNP → LDE,LLU,LXT,LXV,L2W,2H0 .
  40. Remove the upper stabiliser shaft link from the absorber on both sides. Refer to Stabilizer Shaft Link Replacement .
  41. Remove steering linkage outer track rod from the steering knuckle on both sides. Refer to Steering Linkage Outer Track rod Replacement .
  42. Remove the front lower control arm from the steering knuckle. Refer to Lower Control Arm Replacement .
  43. Remove the front wheel shafts from the wheel hubs. Refer to Front Wheel Drive Shaft Replacement - Right Side .

  44. 2028081
  45. Remove the wheel speed sensor wiring harness (2) from the frame on both sides.
  46. Remove the wiring harness retainers (3) from the frame and the lower control arm.

  47. 2028268
  48. Remove wiring harness engine cooling fan.
  49. • Disconnect the 4 wiring harness connector engine cooling fan (2).
    • Remove engine coolant fan wiring harness relay block (1).
    • Disconnect wiring harness connector air conditioning refrigerant pressure sensor (3).

    2371686

    Note: The SPX installation manual is supplied with the special tool and is also available online from SPX directly. Go to www.spxtools-shop.com.

  50. Assemble the CH-49290 engine support tool (1) according to the details provided in the SPX installation manual.
  51. Support the CH-904 base frame on a jack.
  52. Support the CH-49290 engine support tool on the CH-904 base frame .

  53. 2371685

    Note: The SPX installation manual is supplied with the special tool and is also available online from SPX directly. Go to www.spxtools-shop.com.

  54. Install the CH-49290 engine support tool (1) according to the details provided in the SPX installation manual.

  55. 2506243
  56. Remove the 5 engine mount bracket retaining bolts (2, 3) and the engine mount retaining nut (1).
  57. Remove the engine mount (4).
  58. Remove the transmission mount - left side. Refer to Transmission Mount Replacement - Left Side .

  59. 2371688

    Note: The SPX installation manual is supplied with the special tool and is also available online from SPX directly. Go to www.spxtools-shop.com.

  60. Assemble the CH-49289 centring frame (1) according to the details provided in the SPX installation manual.
  61. Support the CH-904 base frame on a jack.
  62. Support the CH-49289 centring frame on the CH-904 base frame .

  63. 2371687

    Note: The SPX installation manual is supplied with the special tool and is also available online from SPX directly. Go to www.spxtools-shop.com.

  64. Install the CH-49289 centring frame (1) according to the details provided in the SPX installation manual.

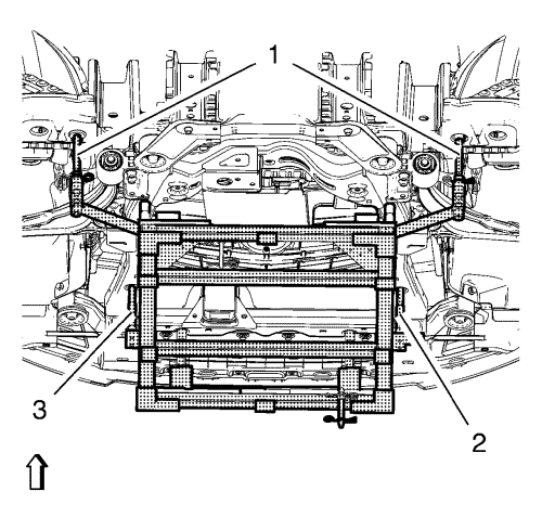
  65. 2028085

    Note: Simplified graphic. Engine/transmission unit is fixed with engine support tool to suspension frame. Suspension frame is supported by centring adapter and underframe.

  66. Remove the front frame bolts (2).
  67. Remove the rear frame bolts (3).
  68. Remove the frame reinforcements (4).
  69. Lower the frame (1) with the engine transmission unit from the vehicle.
  70. Remove the right wheel drive shaft from the transmission. Refer to Front Wheel Drive Shaft Replacement - Right Side .
  71. Remove the left wheel drive shaft from the transmission. Refer to Front Wheel Drive Shaft Replacement - Left Side .
  72. Install suitable cable at the 3 engine lift brackets.
  73. Install a suitable engine lifting device to the cable.
  74. Extend the engine lifting device until the steel cable are slightly tensioned.

  75. 2512621
  76. Loosen the radiator outlet hose clip (1) from radiator.
  77. Remove the radiator outlet hose (2) from the radiator.

  78. 2512620
  79. Loosen the radiator inlet hose clip (1).
  80. Remove the radiator inlet hose (2) from the radiator.

  81. 2027411
  82. Remove the front transaxle mount through bolt (1).

  83. 2027404
  84. Remove the transmission bracket mount to mount through bolt (1).
  85. Put the engine transmission unit down on a wooden pallet.
  86. Loosen the 9 transmission bolts and remove 8 of them. Refer to Transmission Replacement .
  87. Note: Second mechanic required.

  88. Remove the last transmission bolt and the transmission.
  89. Install the engine to the EN-50057 engine stand .
  90. Transfer parts as needed.

Installation Procedure

  1. Remove the engine from the EN-50057 engine stand.
  2. Put the engine down on a wooden pallet.
  3. Note: Second mechanic required.

  4. Install the transmission and one transmission bolt.
  5. Install the 8 transmission bolts.
  6. Caution: Refer to Fastener Caution in the Preface section.

  7. Tighten the 9 transmission bolts. Refer to Transmission Replacement .
  8. Place the engine transmission unit on to the front frame.

  9. 2027404
  10. Install the transmission bracket mount to mount through bolt (1) and tighten to 100 N·m(74 lb ft).

  11. 2027411
  12. Install the transaxle mount through bolt (1) and tighten to 58 N·m (43 lb ft).
  13. Remove the cable from the 3 engine lift brackets.

  14. 2512620
  15. Install the radiator inlet hose (2) to the radiator .
  16. Install the radiator inlet hose clamp (1).

  17. 2512621
  18. Install the radiator outlet hose (2) to the radiator.
  19. Install the radiator outlet hose clamp (1).
  20. Install the left wheel drive shaft to the transmission. Refer to Front Wheel Drive Shaft Replacement - Left Side .
  21. Install the right wheel drive shaft to the transmission. Refer to Front Wheel Drive Shaft Replacement - Right Side .

  22. 2028250

    Note: Positioning pins (1) of CH-49289 adapter MUST be extended in order to guide into underbody holes.

  23. Position the frame with the engine transmission unit to the vehicle.

  24. 2028085
  25. Install the frame reinforcements (3).
  26. Install frame rear bolts (2). Handtighten ONLY.
  27. Install frame front bolts (3). Handtighten ONLY.
  28. Tighten the rear frame bolts (2) and tighten to 160 N·m (118 lb ft).
  29. Tighten the front frame bolts (1) and tighten to 160 N·m (118 lb ft).

  30. 2371687
  31. Lower the CH-49289 centring frame (1) with CH-904 base frame and a jack.
  32. Remove the CH-49289 centring frame from the CH-904 base frame .

  33. 2371688

    Note: The SPX installation manual is supplied with the special tool and is also available online from SPX directly. Go to www.spxtools-shop.com.

  34. Disassemble the CH-49289 centring frame (1) according to the details provided in the SPX installation manual.
  35. Install the transmission mount - left side. Refer to Transmission Mount Replacement - Left Side .

  36. 2506243
  37. Install the engine mount bracket (4).
  38. Install the 3 engine mount retaining bolts (3). Do not tighten the bolts.
  39. Install the 2 engine mount retaining bolts (2) and the retaining nut (1).
  40. • Tighten the bolts (2) to 58 N·m (43 lb ft).
    • Tighten the nut (1) to 62 N·m (46 lb ft).
    • Tighten the bolts (3) to 58 N·m (43 lb ft).

    2371685
  41. Lower the CH-49290 engine support tool (1) with CH-904 base frame and a jack.
  42. Remove the CH-49290 engine support tool from the CH-904 base frame .

  43. 2371686

    Note: The SPX installation manual is supplied with the special tool and is also available online from SPX directly. Go to www.spxtools-shop.com.

  44. Disassemble the CH-49290 engine support tool (1) according to the details provided in the SPX installation manual.
  45. Install the exhaust front pipe. Refer to Exhaust Front Pipe Replacement : 2.0L Diesel LNP → LDE,LLU,LXT,LXV,L2W,2H0 .

  46. 2028268
  47. Install wiring harness engine cooling fan.
  48. • Connect wiring harness connector air conditioning refrigerant pressure sensor (3).
    • Install engine coolant fan wiring harness relay block (1).
    • Connect the 4 harness connector engine cooling fan (2).

    2028081
  49. Install the wheel speed sensor wiring harness (2) to the frame on both sides.
  50. Install the wiring harness retainers (3) to the frame and the lower control arm.

  51. Lower the vehicle.
  52. Install the front wheel shafts to the wheel hubs. Refer to Front Wheel Drive Shaft Replacement - Right Side .
  53. Install the front lower control arm to the steering knuckle. Refer to Lower Control Arm Replacement .
  54. Install the steering linkage outer track rod to the steering knuckle on both sides. Refer to Steering Linkage Outer Track rod Replacement .
  55. Install the upper stabiliser shaft link to the absorber on both sides. Refer to Stabilizer Shaft Link Replacement .
  56. Raise the vehicle.

  57. 2191542

    Note: Use a NEW O-ring seal. Refer to Air Conditioning O-Ring Seal Replacement .

  58. Install the lower and upper condenser hose nuts and the lower and upper condenser hoses (1, 2) and tighten to 19 N·m (14 lb ft).

  59. 2027259

    Note: Use a NEW O-ring seal. Refer to Air Conditioning O-Ring Seal Replacement .

  60. Install A/C compressor and condenser hose nut (1) to refrigerant hose (2) and tighten to 19 N·m (14 lb ft).

  61. 2512540
  62. Remove the CH-807 closure plugs from the fuel injection fuel feed pipe (1).
  63. Remove the EN-6015 closure plugs from the fuel return front pipe (2).
  64. Connect the fuel return front pipe (2). Refer to Plastic Collar Quick Connect Fitting Service .
  65. Connect the fuel feed front pipe (5) and clip to the fuel return front pipe clip. Refer to Plastic Collar Quick Connect Fitting Service .
  66. Connect the fuel injection pump wiring harness plug (4).
  67. Clip in the power steering fluid reservoir.
  68. Install the power steering fluid reservoir bolt and tighten to 9 N·m (80 lb in).
  69. Install the heater inlet hose to the bulkhead. Refer to Heater Inlet Hose Replacement : 2.0L Diesel LNP → 1.4L LUJ → 1.6L LDE, LXV, and 1.8L 2H0 → 1.6L LXT and L2W → 2.0L Diesel LLW .
  70. Install the heater outlet hose to the bulkhead. Refer to Heater Outlet Hose Replacement : 2.0L Diesel LNP → 1.4L LUJ → 1.6L LDE, LXV, and 1.8L 2H0 → 1.6L LXT and L2W → 2.0L Diesel LLW .
  71. Install the 2 manual gearbox selector lever cable to the transmission. Refer to Manual Gearbox Gear Lever and Selector Lever Cable Replacement .
  72. Clip in the radiator surge tank.
  73. Fill the cooling system. Refer to Cooling System Draining and Filling .
  74. Install the front tyre and wheel assembly. Refer to Tyre and Wheel Removal and Installation .
  75. Install the front bumper fascia. Refer to Front Bumper Fascia Replacement .

  76. 2027866
  77. Connect the 2 wiring harness plugs (1, 2).

  78. 2027867
  79. Install the 4 wiring harness (2).
  80. Install the 3 ground nuts (1) and tighten to 9 N·m (80 lb in).

  81. 2027872
  82. Clip in the 3 wiring harness plugs (3).
  83. Connect the wiring harness plug to the front compartment fuse block.

  84. 2027871
  85. Install the front compartment fuse block (2).
  86. Install the 3 front compartment fuse block bolts (1) and tighten to 22 N·m (16 lb ft).

  87. 2027870
  88. Install the front compartment fuse block cover (1).
  89. Install the battery tray. Refer to Battery Tray Replacement .
  90. Install the air cleaner assembly. Refer to Air Cleaner Assembly Replacement .
  91. Install the engine sight shield. Refer to Engine Sight Shield Replacement .
  92. Evacuate and charge the refrigerant system. Refer to Refrigerant Recovery and Recharging .
  93. Check the oil level and fill NEW engine oil up if necessary.
  94. Adjust manual gearbox shift lever and selector lever cable. Refer to Manual Gearbox Gear lever and Selector Lever Cable Adjustment .
  95. Check the transmission fluid level. Refer to Transmission Fluid Level Inspection .
  96. Refill the cooling system. Refer to Cooling System Draining and Filling .
  97. Close the bonnet.
  98. Install the lower intermediate steering shaft bolt. Refer to Intermediate Steering Shaft Replacement .
   


© Copyright Chevrolet. All rights reserved