Cruze |
||||||||
|
|
|
|||||||

Master Electrical Component List
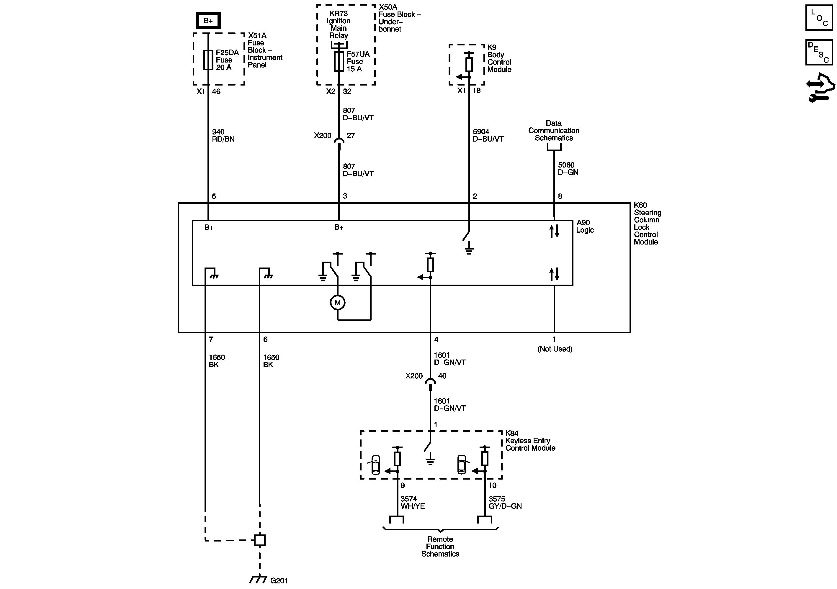
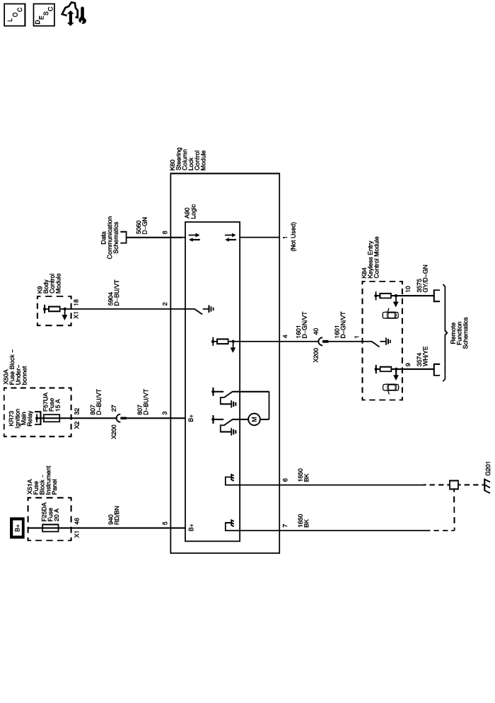
Steering Wheel and Column Description and Operation
F12DA and F13DA Circuit Breakers, and F14DA, F15DA, F17DA, F21DA, F23DA, F24DA, and F25DA Fuses
G120, G121, G122, G201, and G204
| © Copyright Chevrolet. All rights reserved |