Cruze |
||||||||
|
|
|
|||||||

Master Electrical Component List
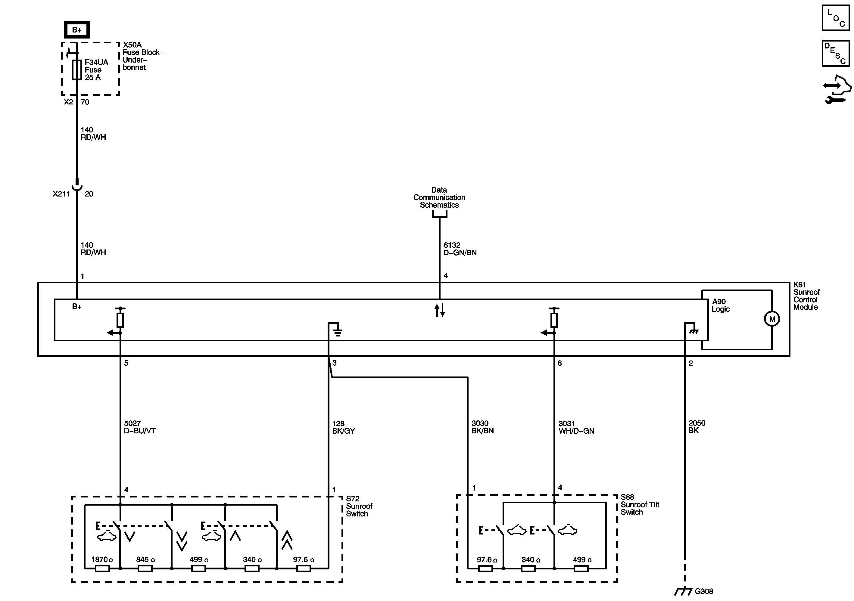
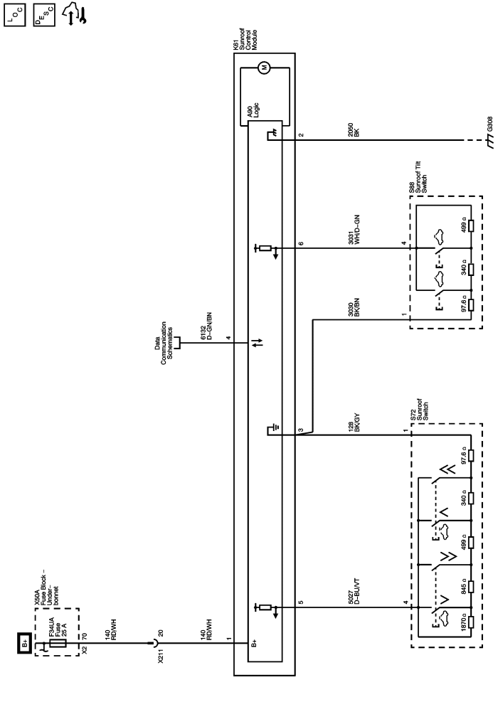
Sunroof Description and Operation
F2UA, F21UA, F25UA, F27UA, F31UA, F32UA, F34UA, F35UA, F69UA, and F70UA Fuses
Local Interconnect Network (LIN) Serial Data
| © Copyright Chevrolet. All rights reserved |