To the top of the document
Cruze
   
GMDE Start Page Load static TOC Load dynamic TOC Help?

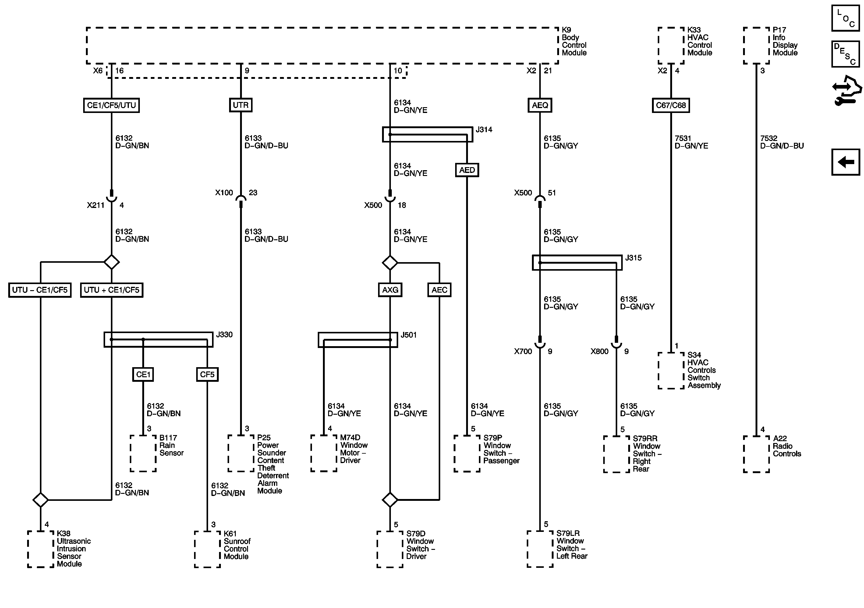
Linear Interconnect Network (LIN) Serial Data



            |                         |            
2443710EN.png

Display graphic

Master Electrical Component List

Data Link Communications Description and Operation

Control Module References

Local Interconnect Network Bus 9 and 10

Serial Data Communication Enable (2 of 2)

   


© Copyright Chevrolet. All rights reserved