Cruze |
||||||||
|
|
|
|||||||

Master Electrical Component List
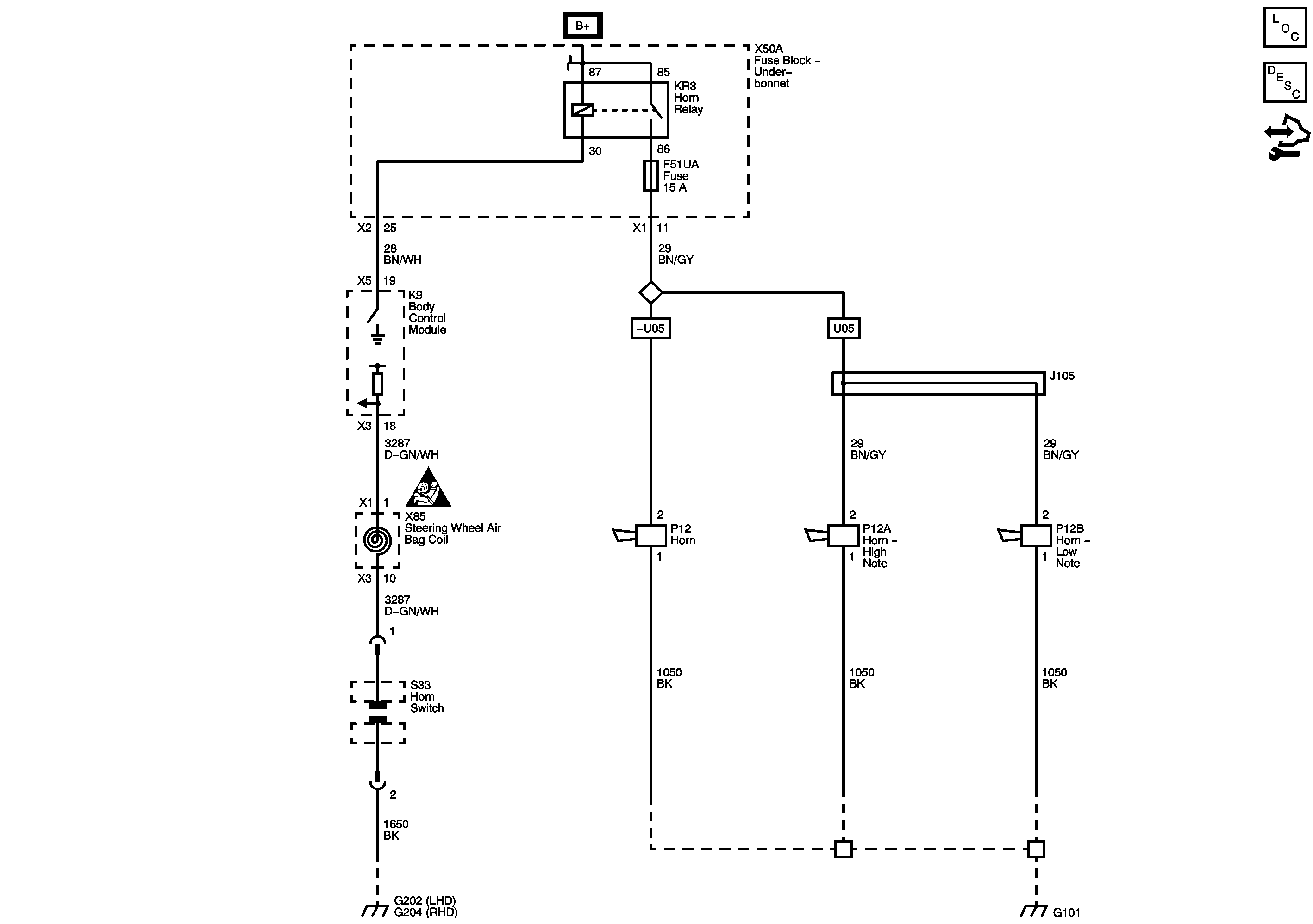
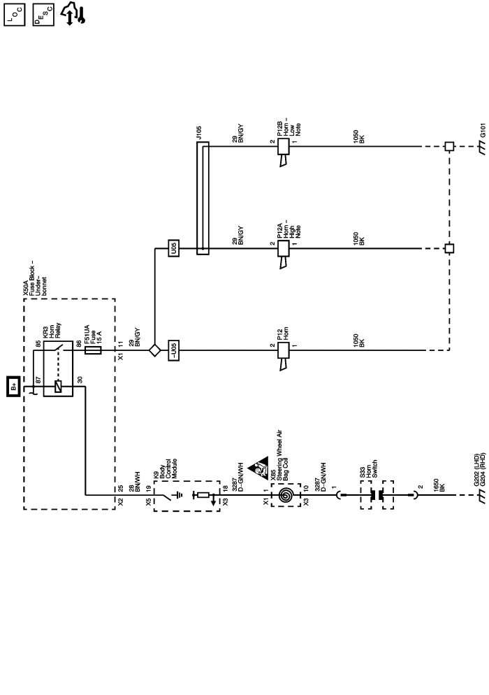
Horns System Description and Operation
Electrical Centre Identification Views
F28UA, F37UA, F38UA, F51UA, F56UA, and F60UA Fuses
Master Electrical Schematic Icons
Ground Distribution Schematics
| © Copyright Chevrolet. All rights reserved |