Cruze |
||||||||
|
|
|
|||||||

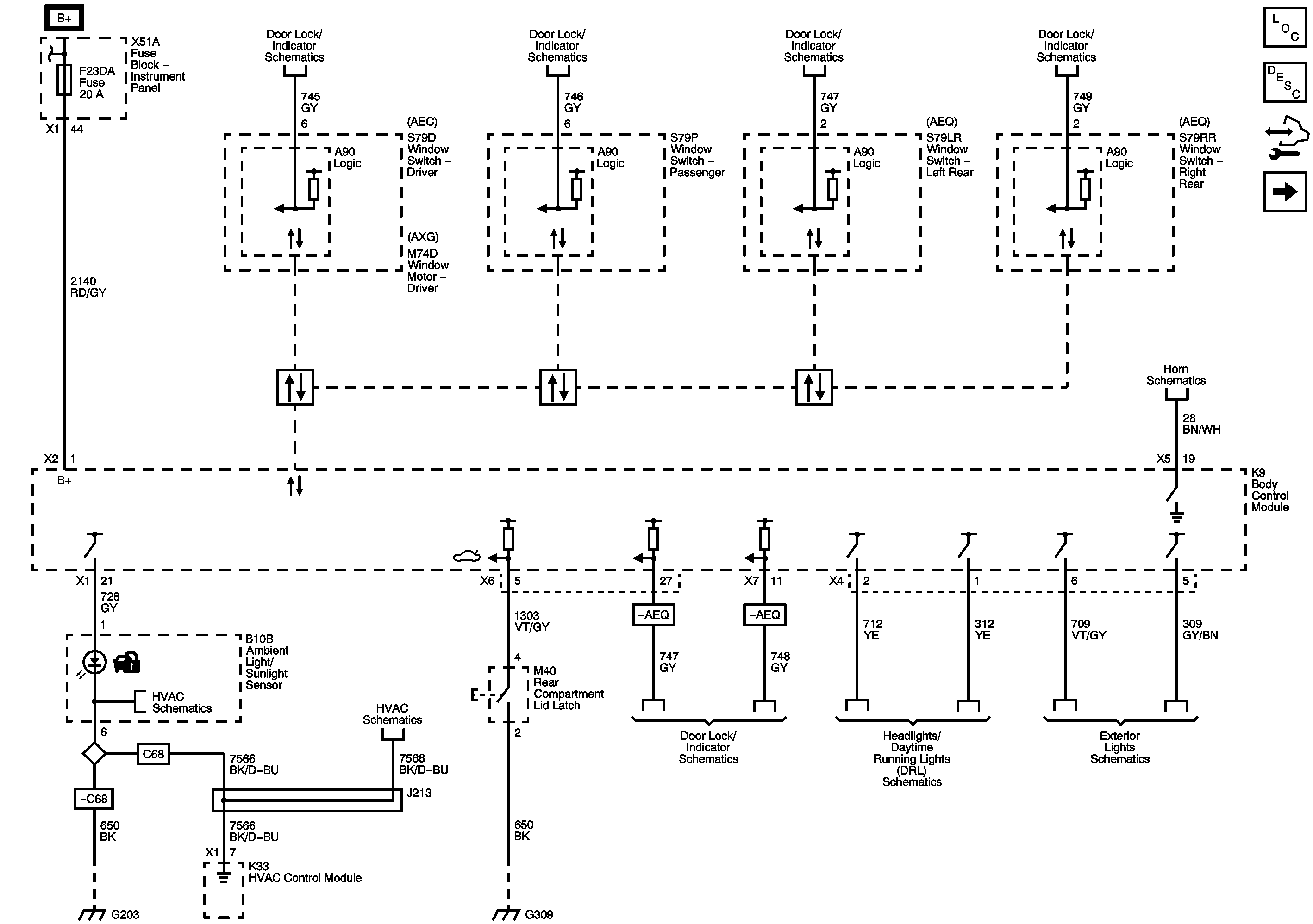
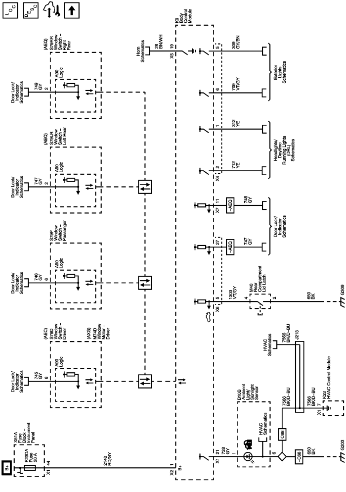
Master Electrical Component List
Content Theft Deterrent (CTD) Description and Operation
Electrical Centre Identification Views
F1DA, F4DA, F5DA, F6DA, and F7DA Fuses
G120, G121, G122, G201, and G204
| © Copyright Chevrolet. All rights reserved |