To the top of the document
Cruze
   
GMDE Start Page Load static TOC Load dynamic TOC Help?

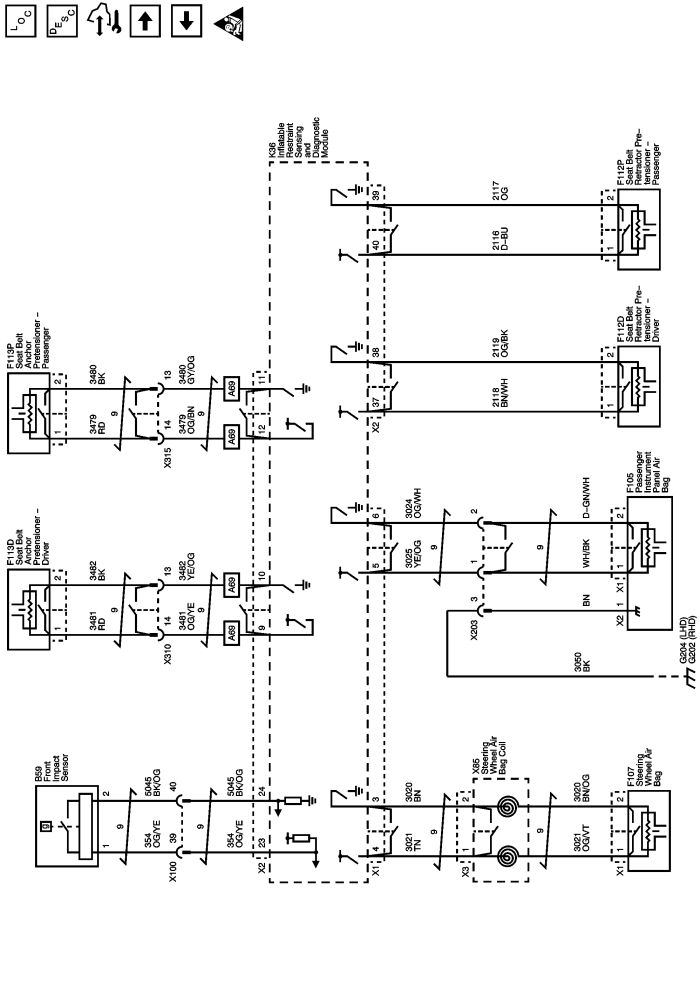
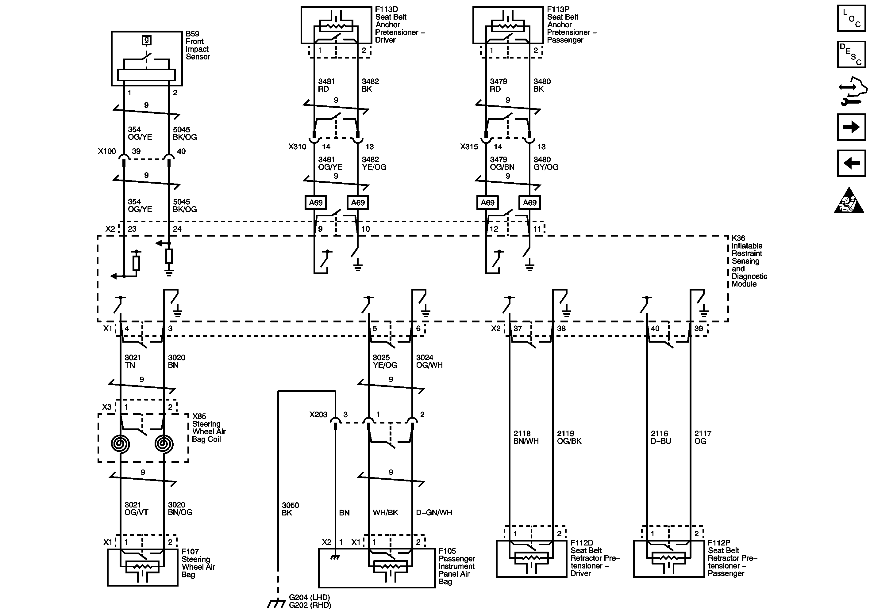
Front Impact Sensor, Front Air Bags, Seat Belt Retractors



            |                         |            
2443779EN.png

Display graphic

Master Electrical Component List

SIR System Description and Operation

Control Module References

Side Impact Sensors and Side/Roof Air Bags

Module Power, Ground, and MIL

Master Electrical Schematic Icons

Ground Distribution Schematics

   


© Copyright Chevrolet. All rights reserved