To the top of the document
Cruze
   
GMDE Start Page Load static TOC Load dynamic TOC Help?

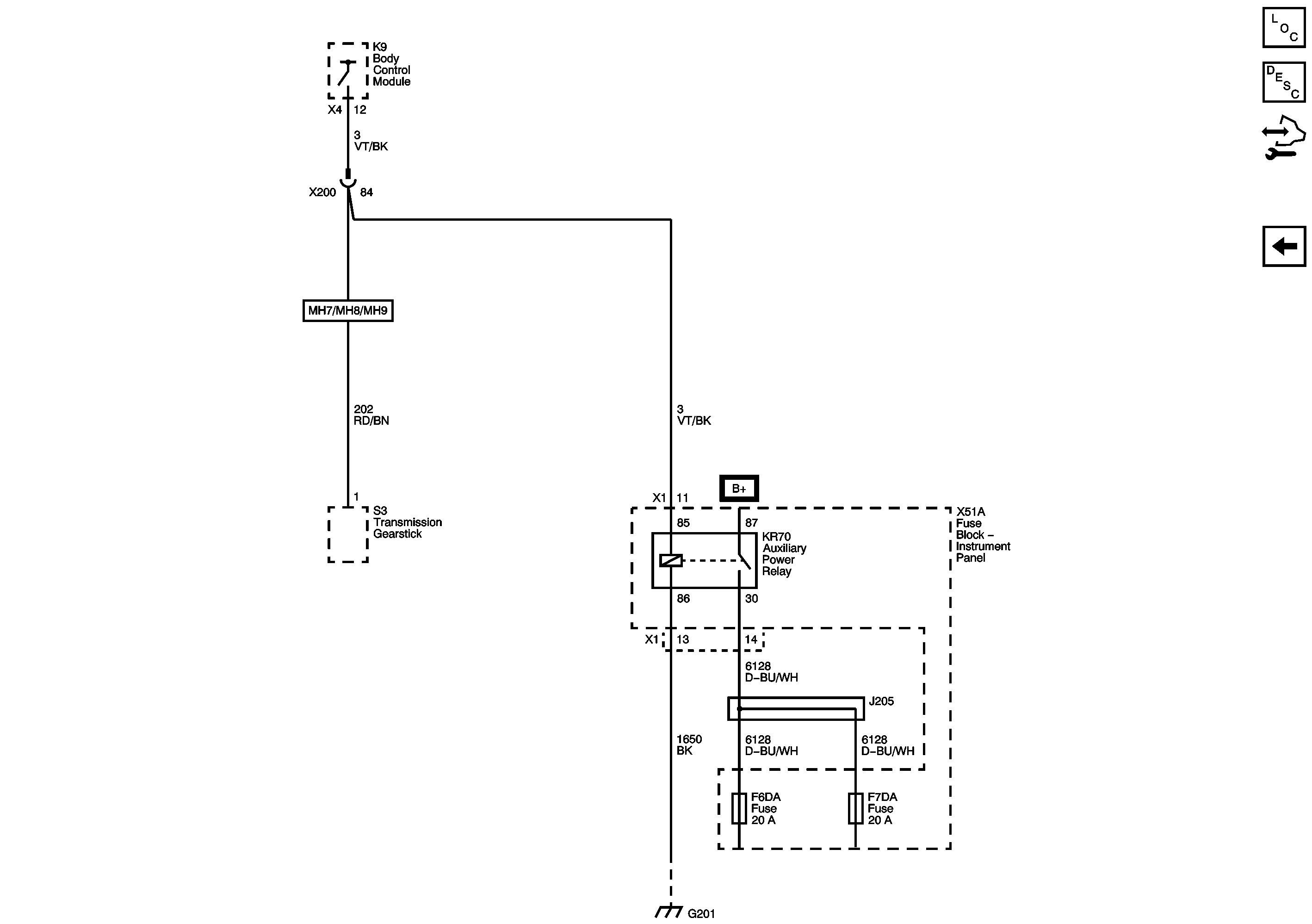
Auxiliary Power Relay



            |                         |            
2443750EN.png

Display graphic

Master Electrical Component List

Power Mode Description and Operation

Control Module References

Ignition Main Relay

Electrical Centre Identification Views

Data Communication Schematics

G120, G121, G122, G201, and G204

   


© Copyright Chevrolet. All rights reserved