To the top of the document
Cruze
   
GMDE Start Page Load static TOC Load dynamic TOC Help?

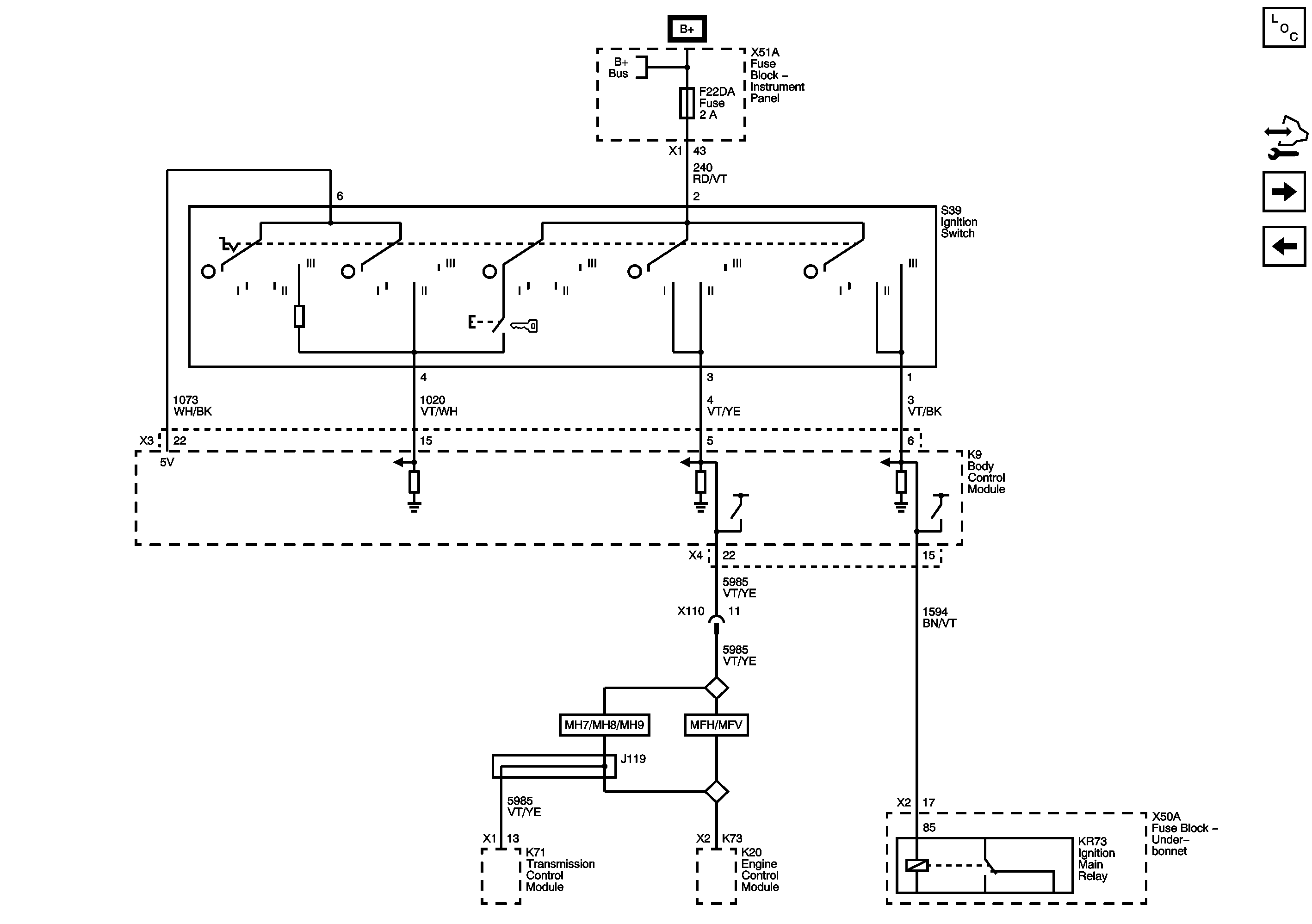
Ignition Switch and Fuse F22DA (without ATH)



            |                         |            
2443725EN.png

Display graphic

Master Electrical Component List

Control Module References

Ignition Switch and Fuse F22DA (ATH)

F12DA and F13DA Circuit Breakers, and F14DA, F15DA, F17DA, F21DA, F23DA, F24DA, and F25DA Fuses

   


© Copyright Chevrolet. All rights reserved