To the top of the document
Cruze
   
GMDE Start Page Load static TOC Load dynamic TOC Help?

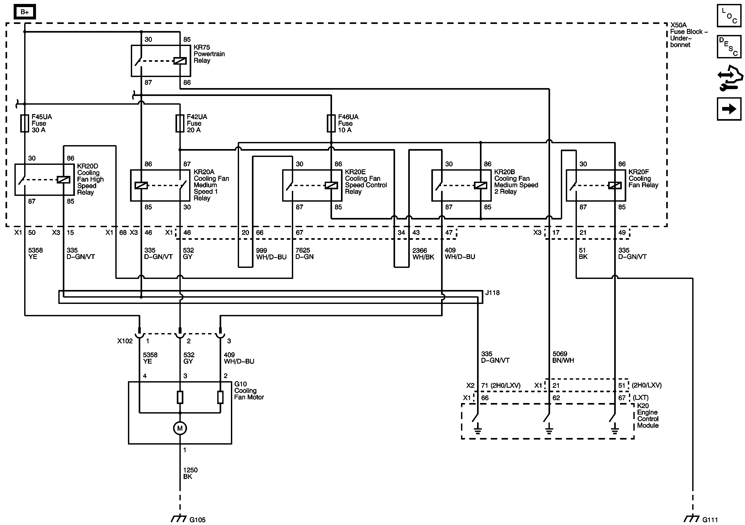
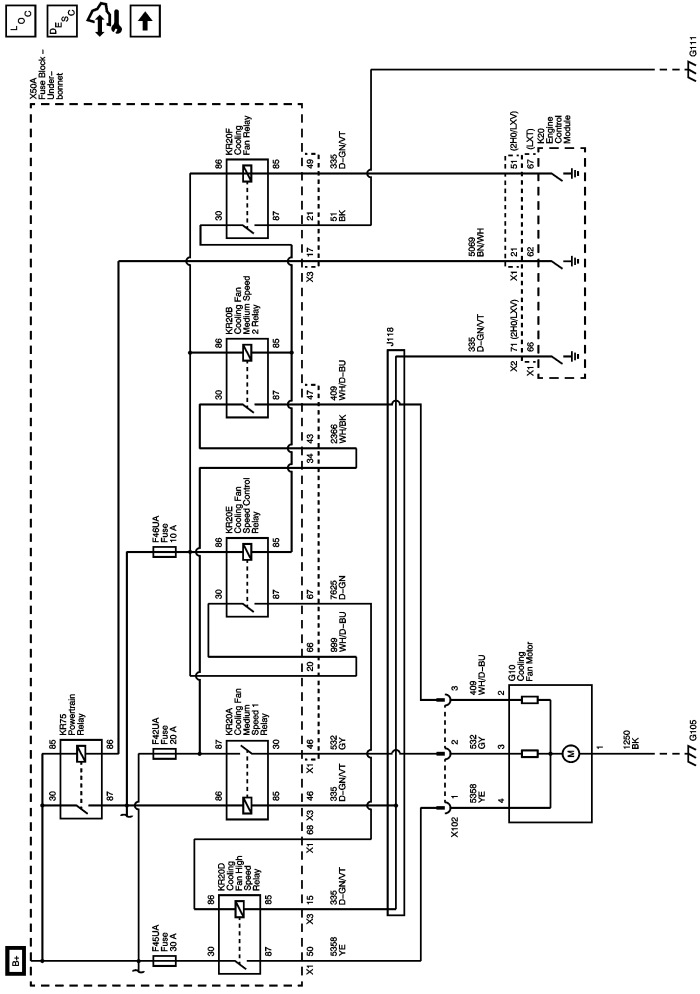
2H0, LXT or LXV



            |                         |            
2443685EN.png

Display graphic

Master Electrical Component List

Cooling System Description and Operation 2.0L Diesel LLW

Control Module References

Petrol (LXV or LDE or 2H0)

F5UB, F6UB, F24UA, F45UA, and F48UA Fuses

F42UA and F46UA Fuses

Electrical Centre Identification Views

G103, G104, and G105

   


© Copyright Chevrolet. All rights reserved