To the top of the document
Cruze
   
GMDE Start Page Load static TOC Load dynamic TOC Help?

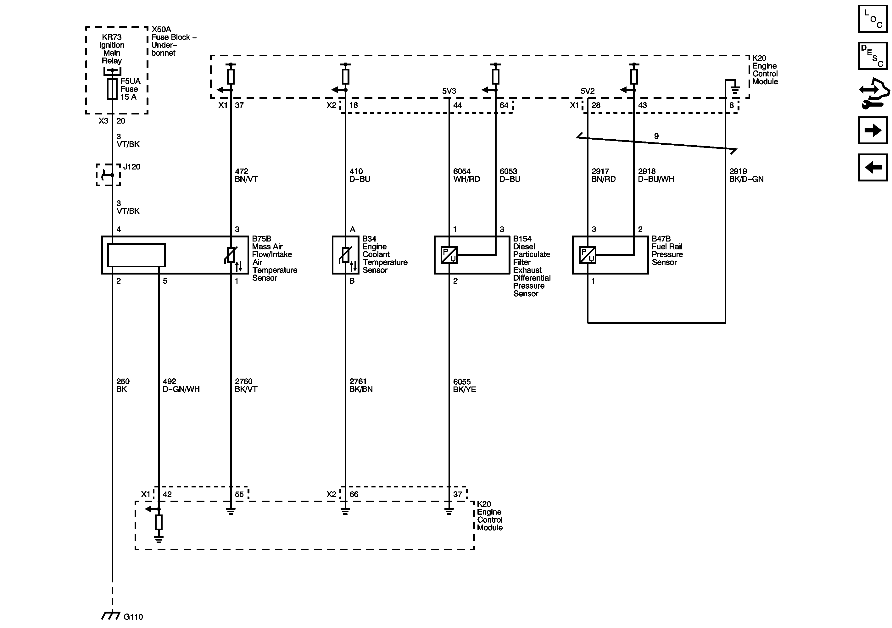
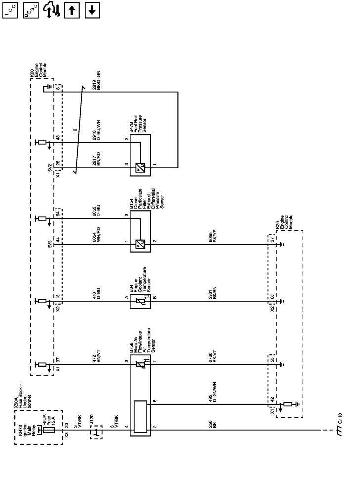
Engine Data Sensors - Pressure and Temperature



            |                         |            
2443677EN.png

Display graphic

Master Electrical Component List

Engine Control Module Description

Control Module References

Throttle Controls and Position Sensors

5V Bus and Low Reference (2 of 2)

   


© Copyright Chevrolet. All rights reserved