Cruze |
||||||||
|
|
|
|||||||

Master Electrical Component List
Engine Control Module Description
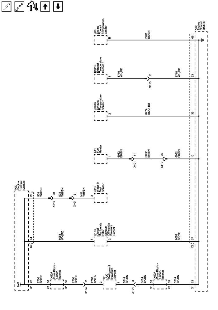
Engine Data Sensors - Pressure and Temperature
5V Bus and Low Reference (1 of 2)
Electrical Centre Identification Views
Master Electrical Schematic Icons
| © Copyright Chevrolet. All rights reserved |