Cruze |
||||||||
|
|
|
|||||||

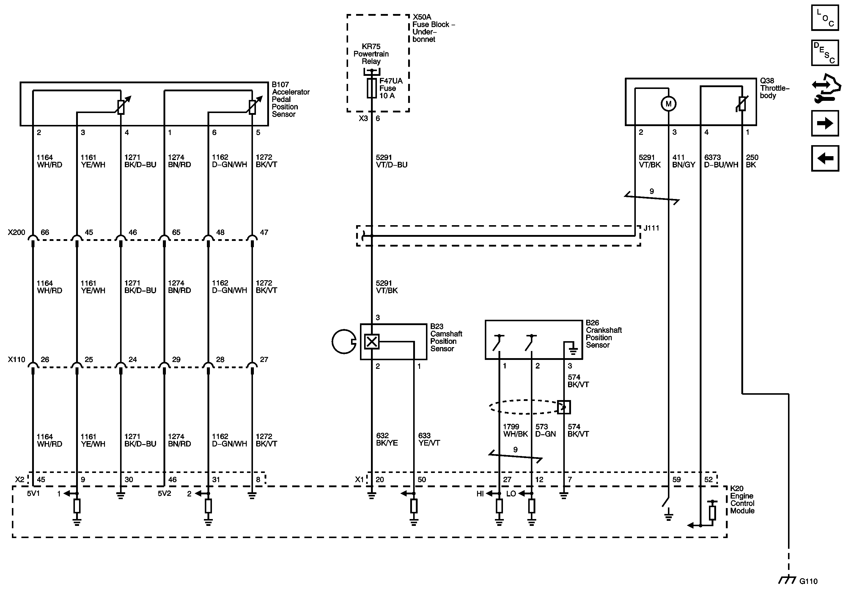
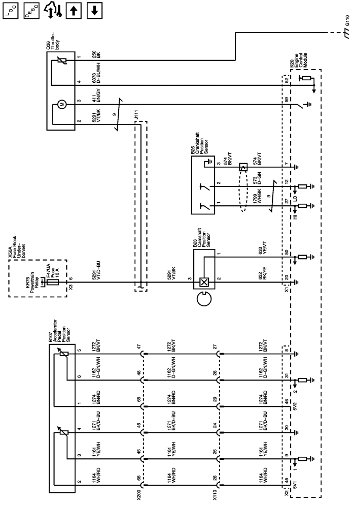
Master Electrical Component List
Engine Control Module Description
Engine Data Sensors - Pressure and Temperature
Electrical Centre Identification Views
Master Electrical Schematic Icons
| © Copyright Chevrolet. All rights reserved |