Cruze |
||||||||
|
|
|
|||||||

Master Electrical Component List
Engine Control Module Description
Engine Data Sensors - Throttle Controls
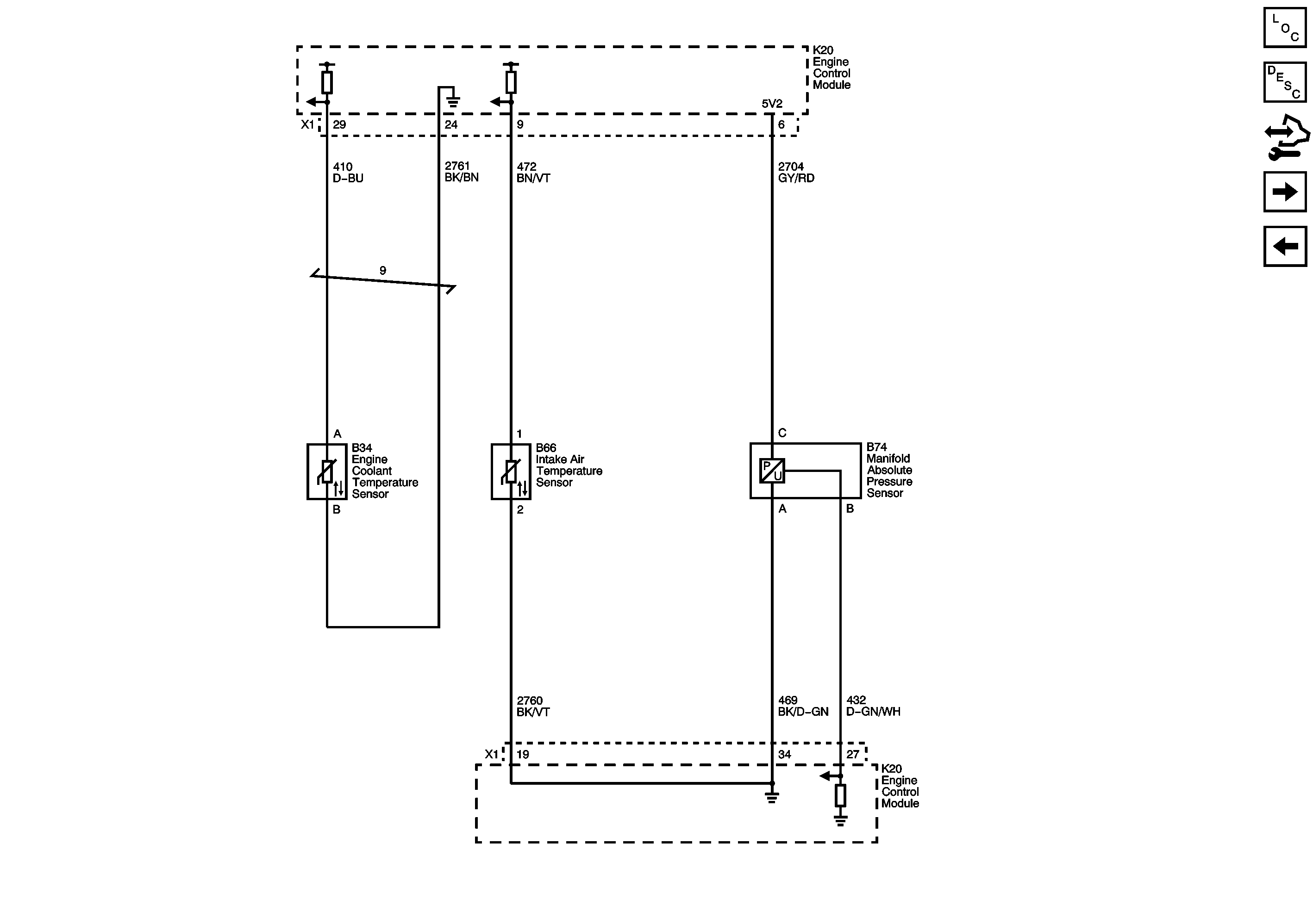
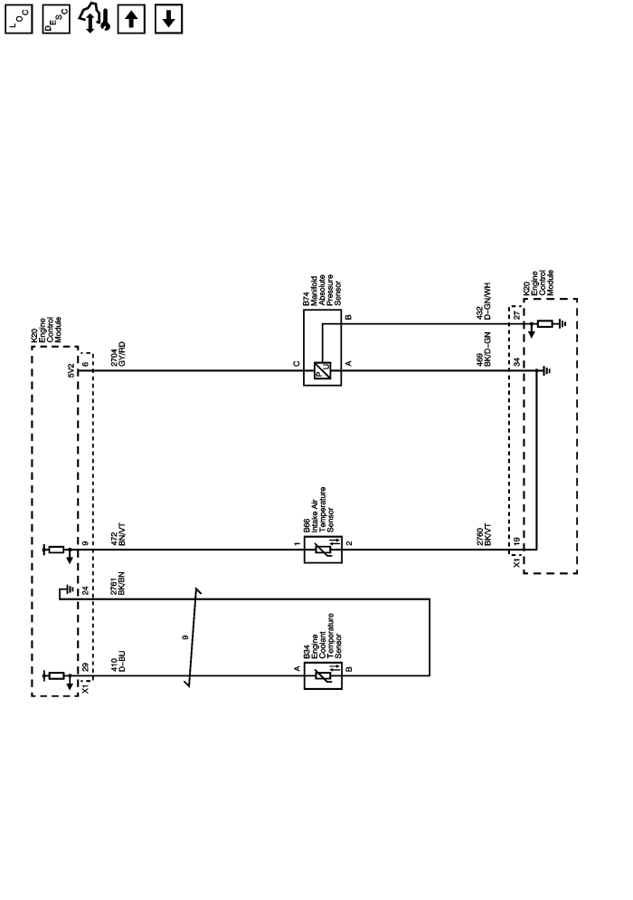
5V and Low Reference Bus (2 of 2)
Electrical Centre Identification Views
F8UA, F9UA, F10UA, and F11UA Fuses
| © Copyright Chevrolet. All rights reserved |