To the top of the document
Cruze
   
GMDE Start Page Load static TOC Load dynamic TOC Help?

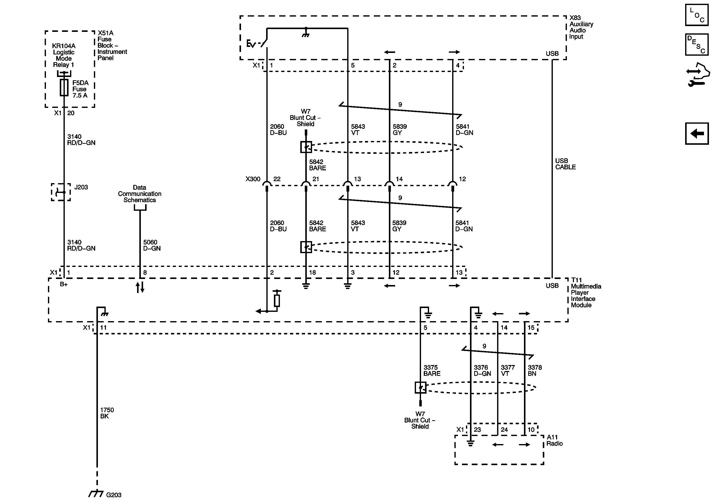
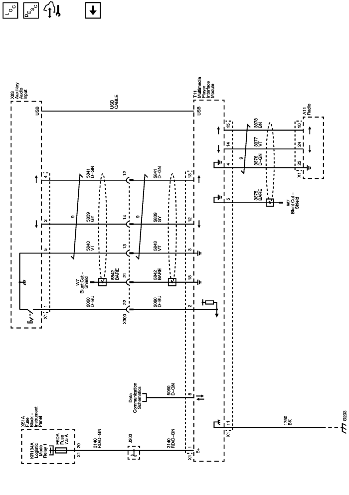
Multimedia Player Interface (KTA)



            |                         |            
2443516EN.png

Display graphic

Master Electrical Component List

Radio/Audio System Description and Operation

Control Module References

Audio Input (without KTA)

Power Moding Schematics

F1DA, F4DA, F5DA, F6DA, and F7DA Fuses

Data Communication Schematics

Master Electrical Schematic Icons

G203

   


© Copyright Chevrolet. All rights reserved