To the top of the document
Cruze
   
GMDE Start Page Load static TOC Load dynamic TOC Help?

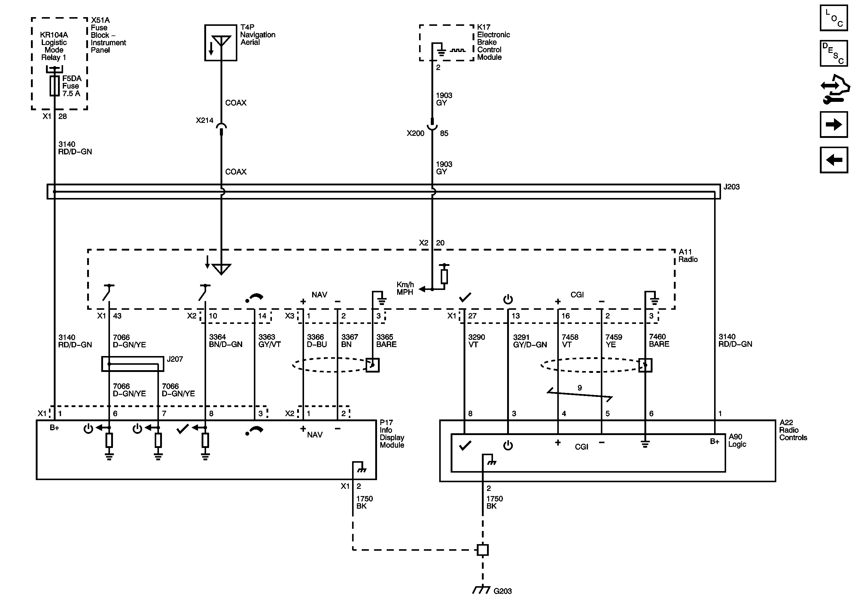
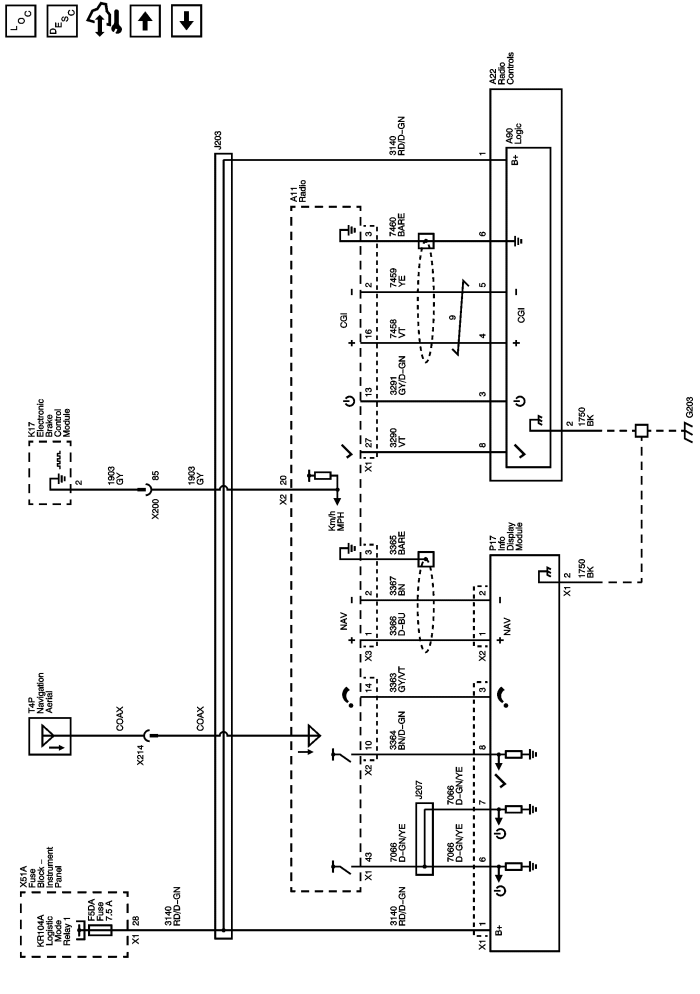
Navigation System (UXW)



            |                         |            
2443511EN.png

Display graphic

Master Electrical Component List

Radio/Audio System Description and Operation

Control Module References

Audio Input (without KTA)

Centre Speaker and Subwoofer (UQG)

   


© Copyright Chevrolet. All rights reserved