To the top of the document
Cruze
   
GMDE Start Page Load static TOC Load dynamic TOC Help?

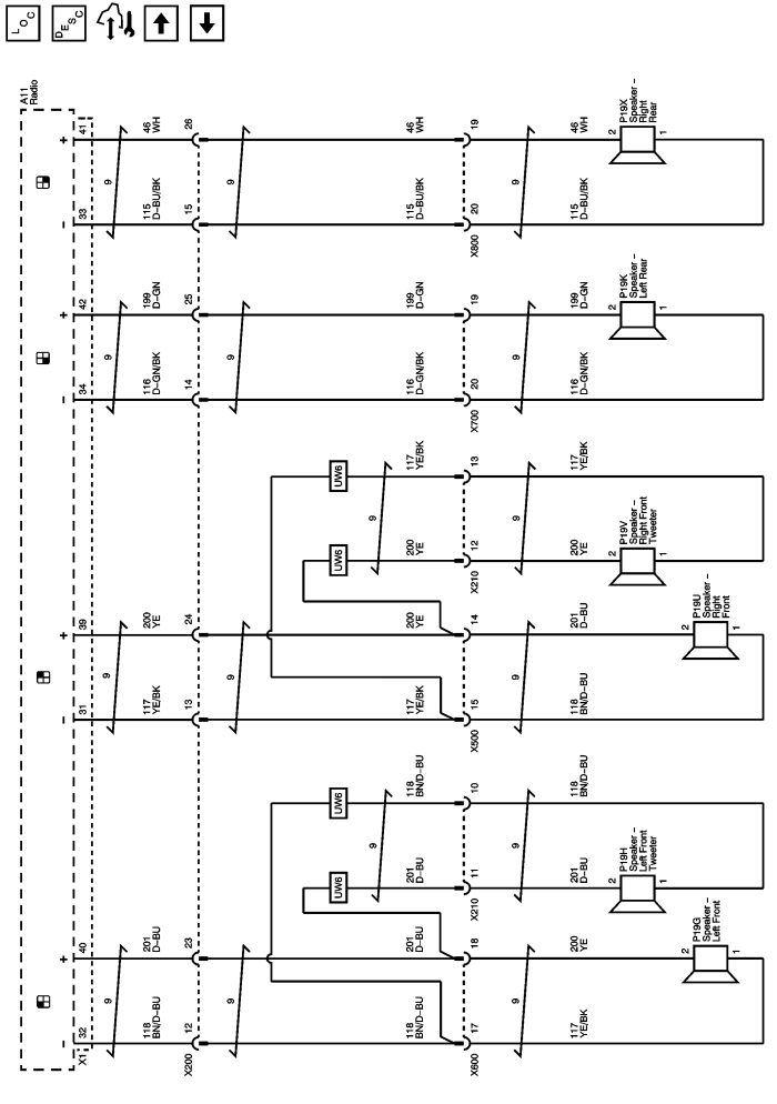
Door Speakers (RHD without UQG)



            |                         |            
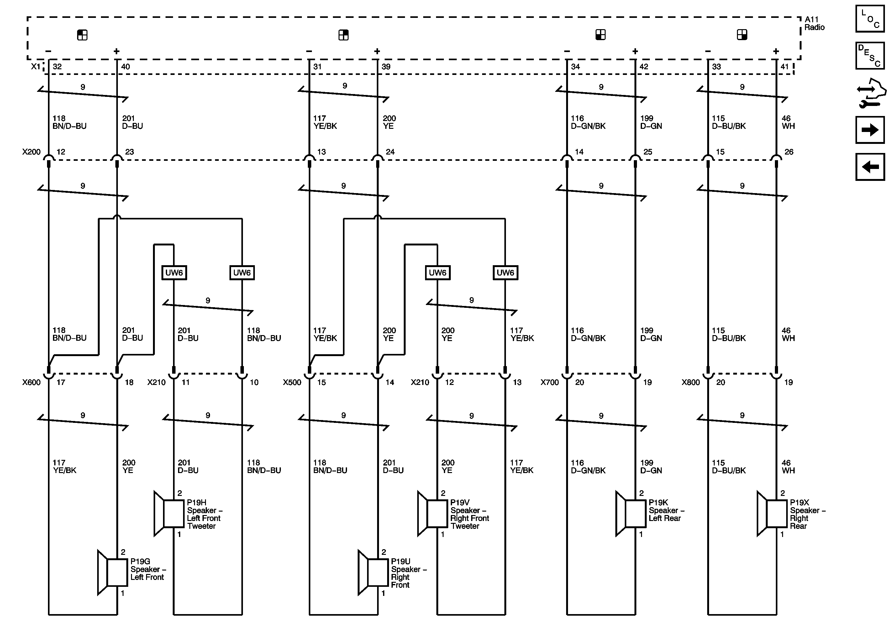
2443494EN.png

Display graphic

Master Electrical Component List

Radio/Audio System Description and Operation

Control Module References

Amplifier (UQG)

Door Speakers (LHD without UQG)

Master Electrical Schematic Icons

   


© Copyright Chevrolet. All rights reserved