To the top of the document
Cruze
   
GMDE Start Page Load static TOC Load dynamic TOC Help?

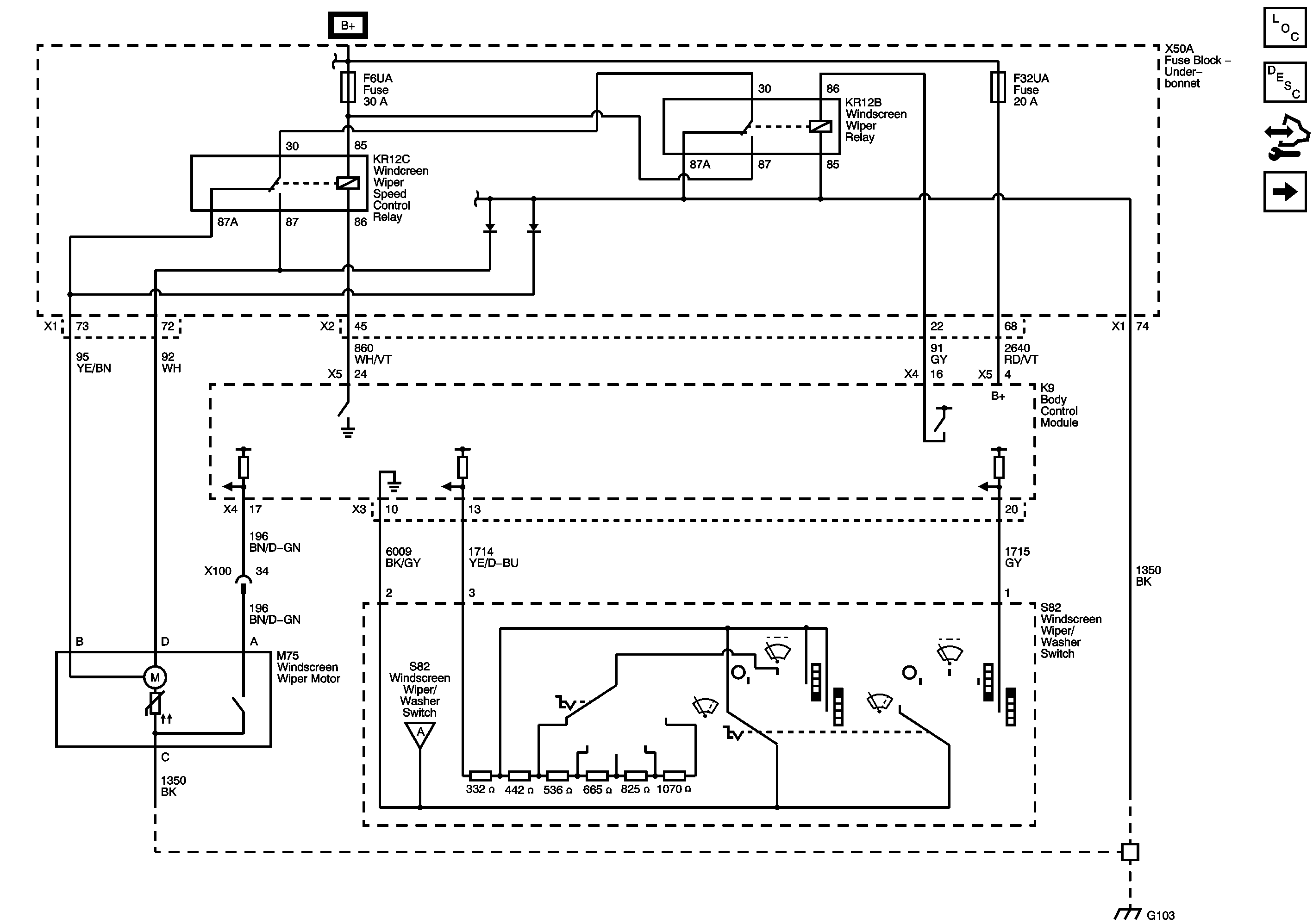
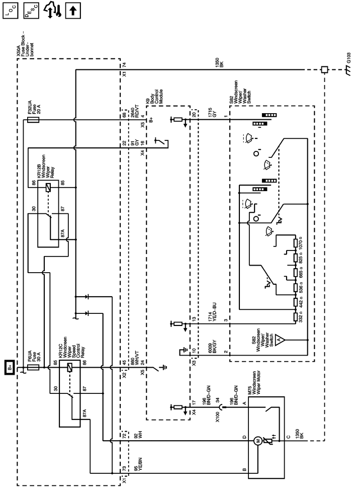
Wiper



            |                         |            
2443465EN.png

Display graphic

Master Electrical Component List

Wiper/Washer System Description and Operation

Control Module References

Washer and Rain Sensor (CE1)

B+ Bus (1 of 3)

Electrical Centre Identification Views

G103, G104, and G105

G100, G101, and G102

   


© Copyright Chevrolet. All rights reserved