To the top of the document
Cruze
   
GMDE Start Page Load static TOC Load dynamic TOC Help?

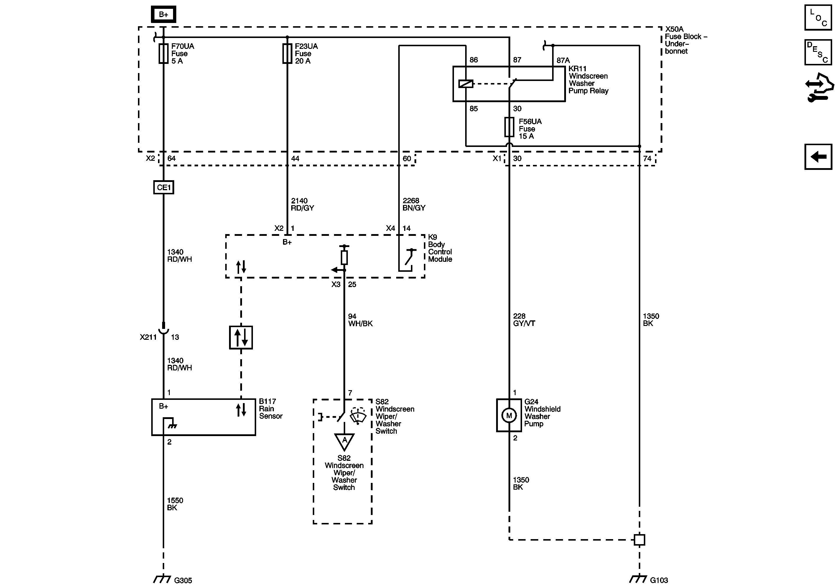
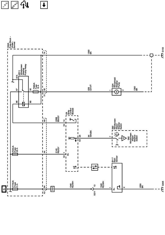
Washer and Rain Sensor (CE1)



            |                         |            
2443466EN.png

Display graphic

Master Electrical Component List

Wiper/Washer System Description and Operation

Control Module References

Washer System

Front Wiper

F2UA, F21UA, F25UA, F27UA, F31UA, F32UA, F34UA, F35UA, F69UA, and F70UA Fuses

G204 and G305

   


© Copyright Chevrolet. All rights reserved