To the top of the document
Cruze
   
GMDE Start Page Load static TOC Load dynamic TOC Help?

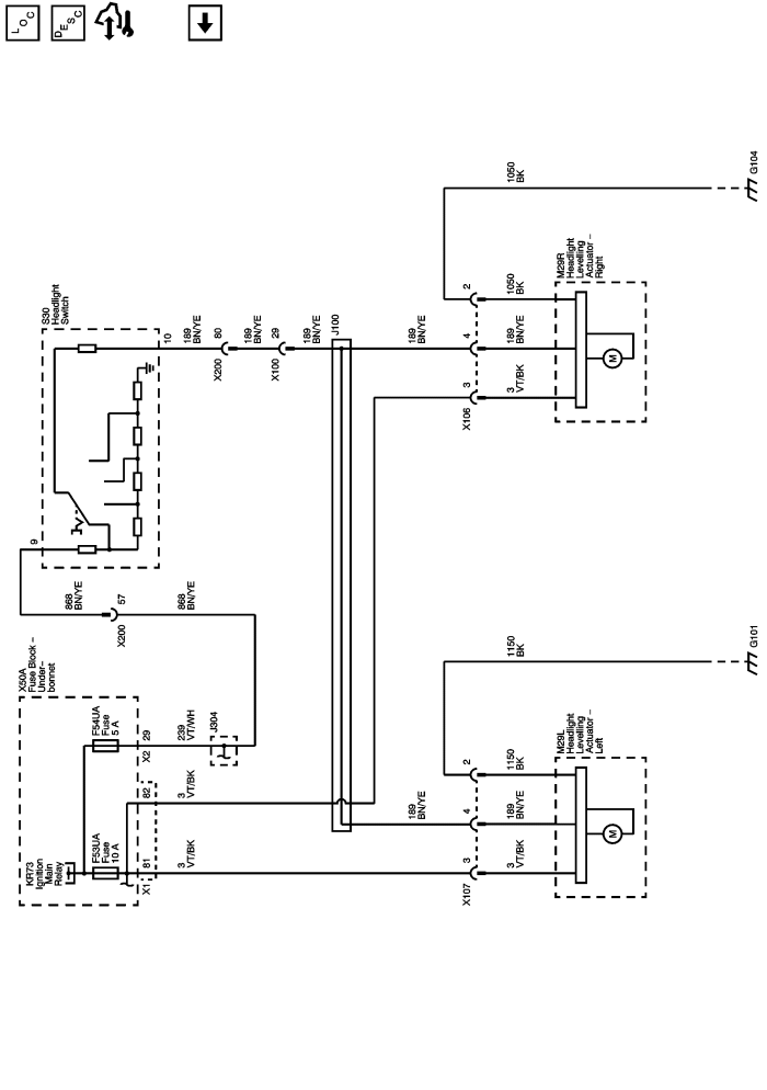
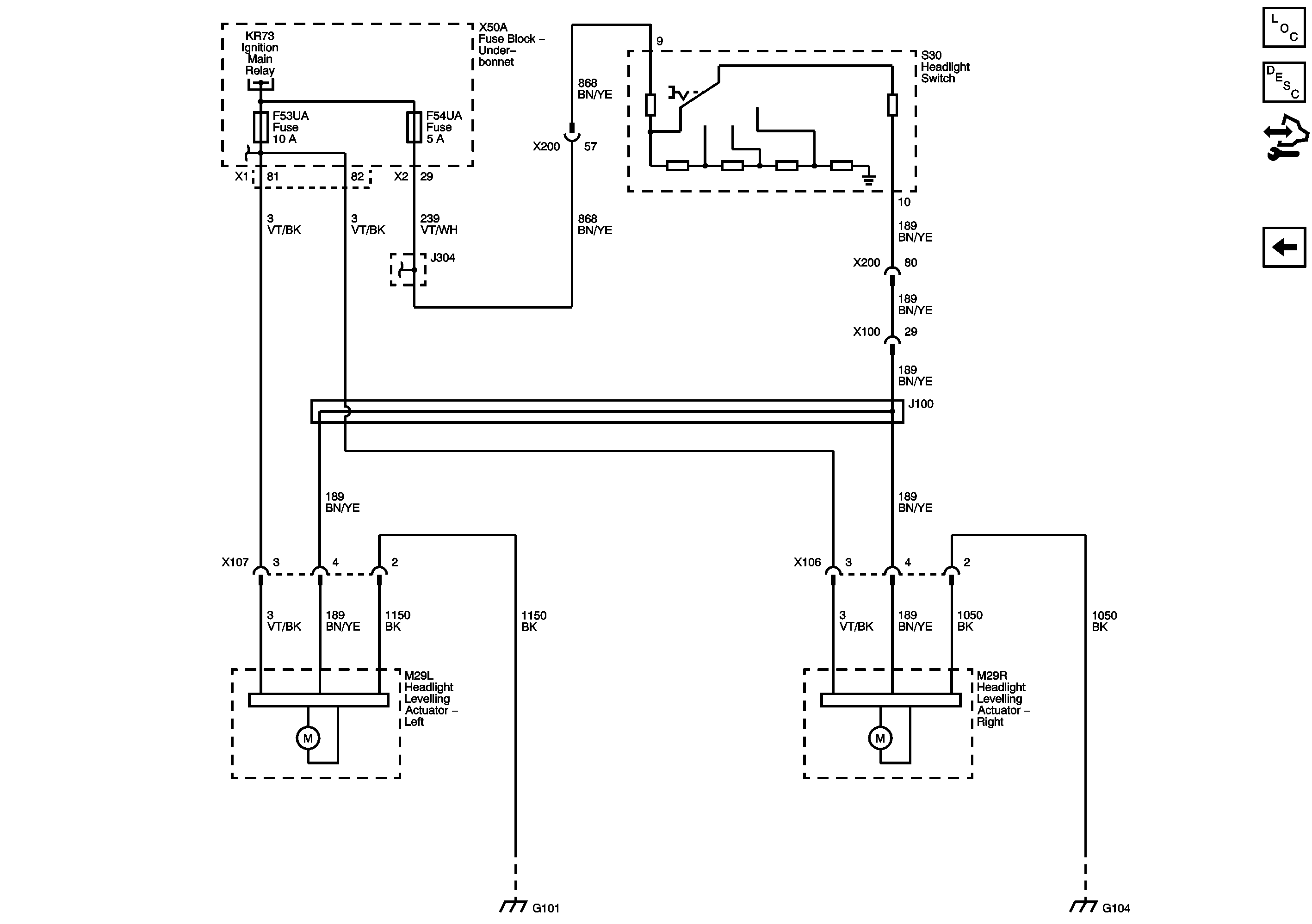
Headlight Leveling (TR6)



            |                         |            
2443428EN.png

Display graphic

Master Electrical Component List

Exterior Lighting Systems Description and Operation

Control Module References

Headlamps

Power Moding Schematics

F5UA, F13UA, F53UA, and F65UA Fuses

F16UA, F17UA, F18UA, F20UA, F52UA, F54UA, and F57UA Fuses

G100, G101, and G102

G103, G104, and G105

   


© Copyright Chevrolet. All rights reserved