To the top of the document
Cruze
   
GMDE Start Page Load static TOC Load dynamic TOC Help?

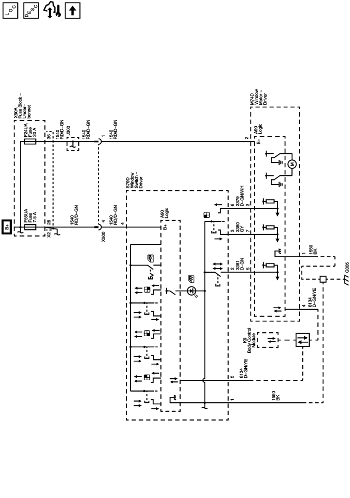
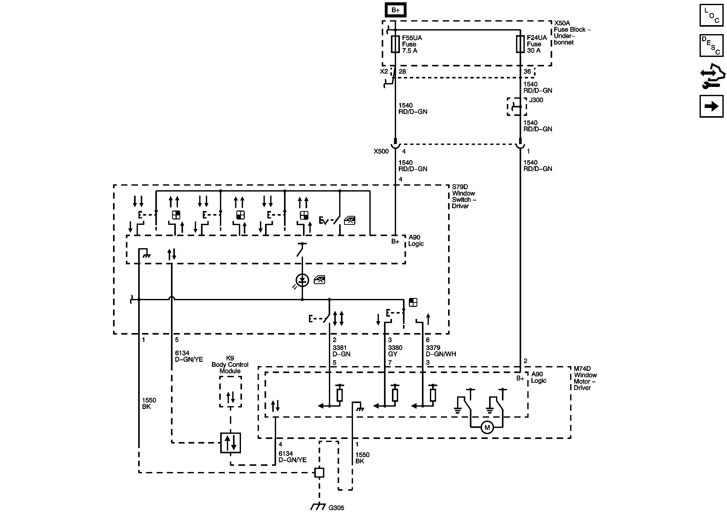
Driver Door (AXG)



            |                         |            
2443412EN.png

Display graphic

Master Electrical Component List

Power Windows Description and Operation

Control Module References

Driver Door (AEC)

F1UA, F26UA, F30UA, F33UA, F55UA, F64UA, and F67UA Fuses

F5UB, F6UB, F24UA, F45UA, and F48UA Fuses

Data Communication Schematics

G204 and G305

   


© Copyright Chevrolet. All rights reserved