To the top of the document
Cruze
   
GMDE Start Page Load static TOC Load dynamic TOC Help?

Engine Replacement - Manual Gearbox D16

Special Tools

    • CH-807 Closure Plugs
    • CH-904 Underframe
    • CH-49289 Centring Adapter
    • CH-49290 Mounting Engine/Transmission
    • EN-49271 Engine Stand

For equivalent regional tools, Refer to Special Tools : 1.6L LXT .

Removal Procedure

  1. Remove the lower intermediate steering shaft bolt. Refer to Intermediate Steering Shaft Replacement .
  2. Open the bonnet.
  3. Recover the refrigerant. Refer to Refrigerant Recovery and Recharging .
  4. Remove the battery tray. Refer to Battery Tray Replacement .

  5. 2027869
  6. Remove the windscreen washer solvent container filler tube (1).

  7. 2027870
  8. Remove the front compartment fuse block cover (1).

  9. 2027871
  10. Remove the 3 front compartment fuse block bolts (1).
  11. Remove the front compartment fuse block (2).

  12. 2027872
  13. Unclip the 3 wiring harness plugs (3).
  14. Disconnect the wiring harness plug from the front compartment fuse block.

  15. 2027867
  16. Remove the 3 ground nuts (1) and put the 3 wiring harness (2) aside.

  17. 2027866
  18. Disconnect the 2 wiring harness plugs (1, 2).
  19. Remove the air cleaner housing. Refer to Air Cleaner Assembly Replacement .
  20. Remove the front bumper fascia. Refer to Front Bumper Fascia Replacement .
  21. Remove the front tyre and wheel assembly. Refer to Tyre and Wheel Removal and Installation .
  22. Drain the cooling system. Refer to Cooling System Draining and Filling .
  23. Unclip the radiator surge tank.
  24. Put the radiator surge tank aside.
  25. Remove the manual gearbox gear lever and selector lever cable from the transmission. Refer to Manual Gearbox Gear Lever and Selector Lever Cable Replacement .
  26. Remove the heater inlet hose from the bulkhead. Refer to Heater Inlet Hose Replacement : 2.0L Diesel LNP → 1.4L LUJ → 1.6L LDE, LXV, and 1.8L 2H0 → 1.6L LXT and L2W → 2.0L Diesel LLW .
  27. Remove the heater outlet hose from the bulkhead. Refer to Heater Outlet Hose Replacement : 2.0L Diesel LNP → 1.4L LUJ → 1.6L LDE, LXV, and 1.8L 2H0 → 1.6L LXT and L2W → 2.0L Diesel LLW .

  28. 1944890
  29. Disconnect the booster vacuum pipe (1) from the inlet manifold.
  30. Place collecting basin underneath the vehicle.
  31. Disconnect the clutch actuator cylinder front pipe. Refer to Clutch Actuator Cylinder Front Pipe Replacement : F40 and Right Hand Drive → F40 and Left Hand Drive → LHD - MZ0,MZ4,MR5,MF3 → RHD - M32, MF3, MZ0, MZ4, MR5 → Right Hand Drive with D33 → Right Hand Drive with D16 → Left Hand Drive with D33 → Left Hand Drive with D16 .
  32. Disconnect the fuel tank vent pipe from the evaporative emission vent valve.
  33. Close the vents with the CH 807 closure plugs.
  34. Disconnect the fuel filler pipe from the multiport fuel injection fuel rail.
  35. Close the vents with the CH 807 closure plugs.
  36. Remove power steering fluid reservoir bolt.
  37. Unclip power steering fluid reservoir and support it on the engine.

  38. 2027253
  39. Remove A/C compressor and condenser hose nut (1) from A/C condenser (2).

  40. 2027259
  41. Remove A/C compressor and condenser hose nut (1) from refrigerant hose (2).
  42. Remove the air conditioning evaporator hose assembly nut from the air conditioning condenser.
  43. Unclip the Radiator outlet hose from the radiator.
  44. Remove the radiator support bracket. Refer to Radiator Support Bracket Replacement .
  45. Raise and support the vehicle. Refer to Lifting and Jacking the Vehicle .
  46. Remove the front compartment splash shield. Refer to Front Compartment Splash Shield Replacement .
  47. Remove the upper stabiliser shaft link from the absorber on both sides. Refer to Stabilizer Shaft Link Replacement .
  48. Remove steering linkage outer track rod from the steering knuckle on both sides. Refer to Steering Linkage Outer Track rod Replacement .
  49. Remove the front lower control arm from the steering knuckle. Refer to Lower Control Arm Replacement .
  50. Remove the front wheel shafts from the wheel hubs. Refer to Front Wheel Drive Shaft Replacement - Right Side and Front Wheel Drive Shaft Replacement - Left Side .
  51. Disconnect the wheel speed sensors on both sides.
  52. Remove the wheel speed sensor wiring harness retainers from the frame.

  53. 2028208
  54. Unclip the 2 engine coolant fan wiring harness (1, 2) from the frame.
  55. Remove the exhaust flexible pipe. Refer to Exhaust Flexible Pipe Replacement : 2.0L Diesel LLW .
  56. Install the mounting engine / transmission. Refer to (mounting engine / transmission) Engine/Transmission Mounting .
  57. Remove the engine mount - right side. Refer to Engine Mount Replacement - Right Side .
  58. Remove the engine mount - left side. Refer to Transmission Mount Replacement - Left Side .

  59. 2028086
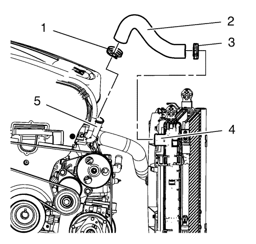
  60. Raise the CH-904 underframe and CH-49289 adapter with the hydraulic jack until it contact the frame.

  61. 2028250

    Note: Positioning pins (2, 3) of CH-49289 adapter must stick into holes of drivetrain frame.

  62. Check if wheel alignment is required.
  63. Move out position pins (1) and try to insert into underbody holes.

    If guide pins can NOT be insert, the Wheel Alignment Measurement is required after installation of drive train frame.


    2028085
  64. Remove and DISCARD the front frame bolts (2).
  65. Remove and DISCARD the rear frame bolts (3).
  66. Remove the frame reinforcements (4).
  67. Lower the frame (4) with the engine transmission unit off the vehicle.
  68. Remove the right wheel drive shaft from the transmission. Refer to Front Wheel Drive Shaft Replacement - Right Side .
  69. Remove the left wheel drive shaft from the transmission. Refer to Front Wheel Drive Shaft Replacement - Left Side .
  70. Remove the power steering fluid reservoir outlet hose. Refer to Power Steering Fluid Reservoir Outlet Hose Replacement .

  71. 2189083
  72. Remove the radiator outlet hose clamp (3) from the water pipe (4).

  73. 2189080
  74. Remove the radiator inlet hose clamp (1) from the thermostat housing (5).
  75. Install suitable cable at the 3 engine lift brackets.
  76. Install a suitable engine lifting device to the cable.
  77. Extend the engine lifting device until the steel cable are slightly tensioned.

  78. 2027411
  79. Remove the front transmission mount through bolt (1).

  80. 2027404
  81. Remove the transmission bracket mount to mount through bolt (1).
  82. Put the engine transmission unit down on a wooden pallet.
  83. Loosen the 8 transmission bolts and remove 7 of them. Refer to Transmission Replacement .
  84. Note: A second technician is required.

  85. Remove the last transmission bolt and the transmission.
  86. Install the engine to the EN-49271 engine stand .
  87. Transfer parts as needed.

Installation Procedure

  1. Remove the engine from the EN-49271 engine stand .
  2. Put the engine down on a wooden pallet.
  3. Note: A second technician is required.

  4. Install the transmission and one transmission bolt.
  5. Install the 7 transmission bolts.
  6. Caution: Refer to Fastener Caution in the Preface section.

  7. Tighten the 8 transmission bolts. Refer to Transmission Replacement .
  8. Place the engine transmission unit into the front frame.

  9. 2027404
  10. Install the transmission bracket mount to mount through bolt (1) and tighten to 100 N·m(74 lb ft).

  11. 2027411
  12. Install the transmission mount through bolt (1) and tighten to 58 N·m (43 lb ft).
  13. Remove the cable from the 3 engine lift brackets.

  14. 2189080
  15. Install the radiator inlet hose (2).
  16. Install the radiator inlet hose clamp (1) to the thermostat housing (5).

  17. 2189083
  18. Install the radiator outlet hose (2).
  19. Install the radiator outlet hose clamp (3) to the water pipe (4).
  20. Install the power steering fluid reservoir outlet hose. Refer to Power Steering Fluid Reservoir Outlet Hose Replacement .
  21. Install the right wheel drive shaft from the transmission. Refer to Front Wheel Drive Shaft Replacement - Right Side .
  22. Install the left wheel drive shaft from the transmission. Refer to Front Wheel Drive Shaft Replacement - Left Side .

  23. 2028250
  24. Ensure that the positioning pins (1) of theCH-49289 adapter are extended and aligned with the underbody holes.

  25. 2028085
  26. Raise the frame (1) with the engine transmission unit to the vehicle.
  27. Install the frame reinforcements (4).
  28. Warning: Refer to Torque-to-Yield Fastener Warning in the Preface section.

  29. Install the NEW front frame bolts (2). Hand tighten ONLY.
  30. Install the NEW rear frame bolts (3). Hand tighten ONLY.
  31. Tighten the rear frame bolts (2) and tighten to 90 N·m (67 lb ft) +130°.
  32. Tighten the front frame bolts (1) and tighten to 120 N·m (89 lb ft) +130°.

  33. 2028086
  34. Lower the CH-49289 with the hydraulic jack until it is removable.
  35. Install the engine mount - right side. Refer to Engine Mount Replacement - Right Side .
  36. Install the engine mount - left side. Refer to Transmission Mount Replacement - Left Side .
  37. Remove the mounting engine / transmission. Refer to Engine/Transmission Mounting .
  38. Install the exhaust flexible pipe. Refer to Exhaust Flexible Pipe Replacement : 2.0L Diesel LLW .

  39. 2028208
  40. Clip the 2 engine coolant fan wiring harness (1, 2) into the frame.
  41. Install the wheel speed sensor wiring harness retainers from the frame.
  42. Connect the wheel speed sensor on both sides.
  43. Install the front wheel shafts to the wheel hubs. Refer to Front Wheel Drive Shaft Replacement - Right Side .
  44. Install the front lower control arm to the steering knuckle. Refer to Lower Control Arm Replacement .
  45. Install the steering linkage outer track rod to the steering knuckle on both sides. Refer to Steering Linkage Outer Track rod Replacement .
  46. Install the upper stabiliser shaft link to the absorber on both sides. Refer to Stabilizer Shaft Link Replacement .
  47. Install the front compartment splash shield. Refer to Front Compartment Splash Shield Replacement .
  48. Check the transmission fluid level. Refer to Transmission Fluid Level Inspection .
  49. Lower the vehicle.
  50. Install the radiator support bracket. Refer to Radiator Support Bracket Replacement .
  51. Clip the Radiator outlet hose into the radiator.
  52. Use a NEW system seal. Refer to Air Conditioning System Seal Replacement .
  53. Install the air conditioning evaporator hose assembly nut from the air conditioning condenser and tighten to 19 N·m (14 lb ft).

  54. 2027253
  55. Use a NEW system seal. Refer to Air Conditioning System Seal Replacement .
  56. Install the A/C compressor and the condenser hose nut (1) to the A/C condenser (2). Tighten the nut to 19 N·m (14 lb ft).

  57. 2027259

    Note: Use a NEW O-ring seal. Refer to Air Conditioning O-Ring Seal Replacement .

  58. Use a NEW system seal. Refer to Air Conditioning System Seal Replacement .
  59. Install the A/C compressor and the condenser hose nut (1) to the refrigerant hose (2). Tighten the nut to 19 N·m (14 lb ft).
  60. Clip in the power steering fluid reservoir.
  61. Install power steering fluid reservoir bolt and tighten to 9 N·m (80 lb in).
  62. Remove the CH 807 closure plugs.
  63. Connect the fuel filler pipe to the multiport fuel injection fuel rail.
  64. Remove the CH 807 closure plugs.
  65. Connect the fuel tank vent pipe to the evaporative emission vent valve.
  66. Remove the heater outlet hose from the bulkhead. Refer to Heater Outlet Hose Replacement : 2.0L Diesel LNP → 1.4L LUJ → 1.6L LDE, LXV, and 1.8L 2H0 → 1.6L LXT and L2W → 2.0L Diesel LLW .
  67. Connect the clutch actuator cylinder front pipe. Refer to Clutch Actuator Cylinder Front Pipe Replacement : F40 and Right Hand Drive → F40 and Left Hand Drive → LHD - MZ0,MZ4,MR5,MF3 → RHD - M32, MF3, MZ0, MZ4, MR5 → Right Hand Drive with D33 → Right Hand Drive with D16 → Left Hand Drive with D33 → Left Hand Drive with D16 .
  68. Bleed the hydraulic clutch system. Refer to Hydraulic Clutch System Bleeding .
  69. Fill the reservoir with clutch/brake fluid up to the MAX level.

  70. 1944890
  71. Connect the booster vacuum pipe (1) to the inlet manifold.
  72. Install the heater inlet hose to the bulkhead. Refer to Heater Inlet Hose Replacement : 2.0L Diesel LNP → 1.4L LUJ → 1.6L LDE, LXV, and 1.8L 2H0 → 1.6L LXT and L2W → 2.0L Diesel LLW .
  73. Install the heater outlet hose to the bulkhead. Refer to Heater Outlet Hose Replacement : 2.0L Diesel LNP → 1.4L LUJ → 1.6L LDE, LXV, and 1.8L 2H0 → 1.6L LXT and L2W → 2.0L Diesel LLW
  74. Install the manual gearbox gear lever and selector lever cable to the transmission. Refer to Manual Gearbox Gear Lever and Selector Lever Cable Replacement .
  75. Clip in the radiator surge tank.
  76. Fill the cooling system. Refer to Cooling System Draining and Filling .
  77. Install the front tyre and wheel assembly. Refer to Tyre and Wheel Removal and Installation .
  78. Install the front bumper fascia. Refer to Front Bumper Fascia Replacement .
  79. Install the air cleaner housing. Refer to Air Cleaner Assembly Replacement .

  80. 2027866
  81. Connect the 2 wiring harness plugs (1, 2).

  82. 2027867
  83. Install the 3 wiring harness (2).
  84. Install the 3 ground nuts (1) and tighten to 9 N·m (80 lb in).

  85. 2027872
  86. Clip in the 3 wiring harness plugs (3).
  87. Connect the wiring harness plug to the front compartment fuse block.

  88. 2027871
  89. Install the front compartment fuse block (2).
  90. Install the 3 front compartment fuse block bolts (1) and tighten to 22 N·m (16 lb in).

  91. 2027870
  92. Install the front compartment fuse block cover (1).

  93. 2027869
  94. Install the windscreen washer solvent container filler tube.
  95. Install the battery tray. Refer to Battery Tray Replacement .
  96. Evacuate and charge the refrigerant system. Refer to Refrigerant Recovery and Recharging .
  97. Check the oil level and fill NEW engine oil up if necessary.
  98. Close the bonnet.
  99. Install the lower intermediate steering shaft bolt. Refer to Intermediate Steering Shaft Replacement .
   


© Copyright Chevrolet. All rights reserved