To the top of the document
Cruze
   
GMDE Start Page Load static TOC Load dynamic TOC Help?

Clutch Actuator Cylinder Front Pipe Replacement - Right Hand Drive with D33

Removal Procedure

  1. Remove the battery tray. Refer to Battery Tray Replacement .

  2. 2188927

    Note: Do NOT disconnect engine coolant hoses.

  3. Remove the radiator surge tank clip (1).
  4. Remove the radiator surge tank.
  5. Position the radiator surge tank aside.


    2188932

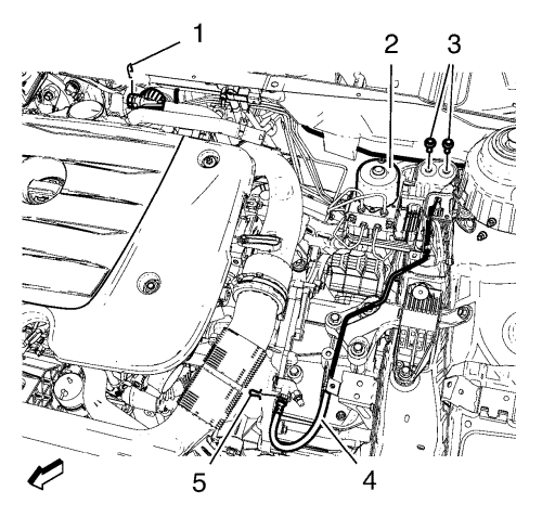
    Note: Before disconnecting the clutch actuator cylinder front pipe, remove the clutch/brake fluid from the reservoir tank.

  6. Remove the clutch actuator cylinder front pipe retainer (1, 5).
  7. Remove the bolts (3) from the brake pressure modulator valve bracket.
  8. Position the brake pressure modulator valve aside (2).
  9. Remove the clutch actuator cylinder front pipe from the retainer.
  10. Remove the clutch actuator cylinder front pipe (4).

Installation Procedure


    2188932
  1. Install the clutch actuator cylinder front pipe (4).
  2. Install the clutch actuator cylinder front pipe retainer (1, 5).
  3. Install the clutch actuator cylinder front pipe to the retainer.
  4. Position the brake pressure modulator valve (2).
  5. Caution: Refer to Fastener Caution in the Preface section.

  6. Install the bolts (3) to the brake pressure modulator valve bracket and tighten to 20 N·m (15 lb ft).
  7. Bleed the hydraulic clutch system. Refer to Hydraulic Clutch System Bleeding .
  8. Fill the reservoir with clutch/brake fluid up to the MAX level.

  9. 2188927
  10. Install the radiator surge tank.
  11. Install the radiator surge tank clip (1).
  12. Install the battery tray. Refer to Battery Tray Replacement .
   


© Copyright Chevrolet. All rights reserved