To the top of the document
Cruze
   
GMDE Start Page Load static TOC Load dynamic TOC Help?

Engine Cooling Fan Wiring Harness Replacement - 2.0L Diesel LNP

Removal Procedure

  1. Open the bonnet.
  2. Disconnect the battery negative cable. Refer to Battery Negative Cable Disconnection and Connection .

  3. 2506324
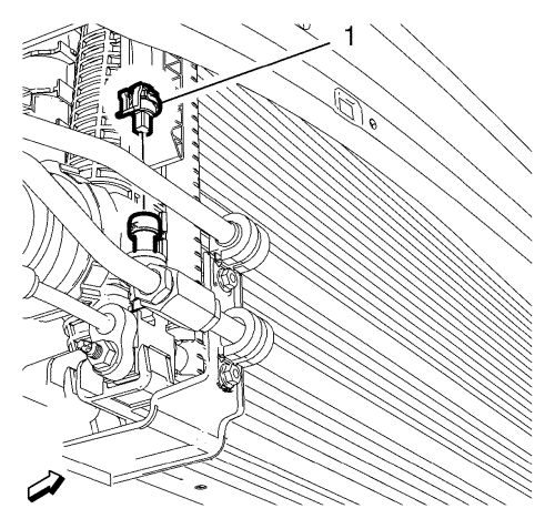
  4. Disconnect the 2 engine control module wiring harness plugs (1) from the engine control module (2).

  5. 2506326
  6. Remove the engine control module bracket (2) along with the engine control module (1) from the battery tray (3).
  7. Remove the battery tray. Refer to Battery Tray Replacement .
  8. Remove the front bumper fascia. Refer to Front Bumper Fascia Replacement .

  9. 2511664
  10. Disconnect the air conditioning refrigerant pressure sensor wiring harness plug (1).
  11. Raise and support the vehicle. Refer to Lifting and Jacking the Vehicle .
  12. Remove the engine compartment insulator. Refer to Front Compartment Insulator Replacement .

  13. 2511667
  14. Slide the CRFM module box (2) to the right and remove the CRFM module box from the bracket.
  15. Disconnect the 4 wiring harness connectors (1, 3).

  16. 2511668
  17. Unclip the wiring harness clip (8) from the engine cooling fan cowl.
  18. Unclip the wiring harness from the engine cooling fan cowl holders (9). Hang the wiring harness aside.
  19. Lower the vehicle.
  20. Remove the wiring harness ground cable nut (2) and the wiring harness ground cable (1).
  21. Disconnect the 2 engine cooling fan motor wiring harness plugs (3, 5).
  22. Unclip the wiring harness clip (4, 7) from the engine cooling fan cowl.
  23. Unclip the wiring harness from the engine cooling fan cowl holders (6).
  24. Remove the engine cooling fan cowl wiring harness from the vehicle.

Installation Procedure


    2511668
  1. Install and position the engine cooling fan cowl wiring harness plug.
  2. Clip the wiring harness to the engine cooling fan cowl holders (6).
  3. Clip the wiring harness clip (4, 7) to the engine cooling fan cowl.
  4. Connect the 2 engine cooling fan motor wiring harness plugs (3, 5).
  5. Caution: Refer to Fastener Caution in the Preface section.

  6. Install the wiring harness ground cable (1) and the wiring harness ground cable nut (2) and tighten to 9 N·m (80 lb in).
  7. Raise the vehicle.
  8. Clip the wiring harness to the engine cooling fan cowl holders (9).
  9. Clip the wiring harness clip (8) to the engine cooling fan cowl.

  10. 2511667
  11. Connect the 4 wiring harness connectors (1, 3).
  12. Install the CRFM module box (2) to the bracket and slide the CRFM module box to the left until it stops.

  13. 2511664
  14. Install the engine compartment insulator. Refer to Front Compartment Insulator Replacement .
  15. Lower the vehicle.
  16. Connect the air conditioning refrigerant pressure sensor wiring harness plug (1).

  17. 2506326
  18. Install the front bumper fascia. Refer to Front Bumper Fascia Replacement .
  19. Install the battery tray. Refer to Battery Tray Replacement .
  20. Install the engine control module bracket (2) along with the engine control module (1) to the battery tray (3).

  21. 2506324
  22. Connect the 2 engine control module wiring harness plugs (1) to the engine control module (2).
  23. Connect the battery negative cable. Refer to Battery Negative Cable Disconnection and Connection .
  24. Close the bonnet.
   


© Copyright Chevrolet. All rights reserved