To the top of the document
Cruze
   
GMDE Start Page Load static TOC Load dynamic TOC Help?

Engine Water Outlet Adaptor Replacement - 2.0L Diesel LNP

Removal Procedure

  1. Remove the engine sight shield. Refer to Engine Sight Shield Replacement .
  2. Disconnect the battery negative cable. Refer to Battery Negative Cable Disconnection and Connection .
  3. Remove the engine control module. Refer to Engine Control Module Replacement .
  4. Remove the battery tray. Refer to Battery Tray Replacement .
  5. Raise and support the vehicle. Refer to Lifting and Jacking the Vehicle .
  6. Remove the front compartment insulator. Refer to Front Compartment Insulator Replacement .
  7. Drain the cooling system. Refer to Cooling System Draining and Filling .
  8. Lower the vehicle.
  9. Remove the charge air cooler outlet front hose from the charge air cooler outlet front hose bracket. Remove the charge air cooler outlet front hose from the charge air cooler outlet rear hose and hang it aside. Refer to Charge Air Cooler Outlet Hose Replacement : 2.0L Diesel LNP - MT → 2.0L Diesel LNP - AT → 2.0L Diesel LLW .
  10. Unclip the 2 engine wiring harness retaining clips from the engine wiring harness bracket.

  11. 2511763
  12. Remove the 2 engine wiring harness bracket and engine water outlet adaptor bolts (2) from the engine water outlet adaptor.
  13. Remove the engine wiring harness bracket (1) from the engine water outlet adaptor.

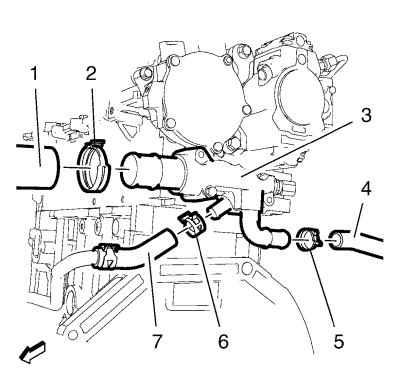
  14. 2511764
  15. Remove the radiator inlet hose (1) with the radiator inlet hose clip (2) from the engine water outlet adaptor (3).
  16. Remove the heater inlet hose (4) with the heater inlet hose clip (5) from the engine water outlet adaptor (3).
  17. Remove the thermostat bypass hose (7) with the thermostat bypass hose clip (6) from the engine water outlet adaptor (3).

  18. 2511765
  19. Disconnect the engine coolant temperature sensor wiring harness plug (4) from the engine coolant temperature sensor (3).
  20. Remove the 2 engine water outlet adaptor bolts (5).
  21. Remove the engine water outlet adaptor (1) and the engine water outlet adaptor gasket (6) from the engine.
  22. Remove the engine coolant temperature sensor (3) and the engine coolant temperature sensor seal ring (2) from the engine water outlet adaptor (1).

Installation Procedure

    Caution: Refer to Fastener Caution in the Preface section.


    2511765
  1. Pre-install the engine coolant temperature sensor (3) with a NEW engine coolant temperature sensor seal ring (2) to the engine water outlet adaptor (1) and tighten the sensor to 13 N·m (115 lb in).
  2. Install the engine water outlet adaptor (1) with a NEW engine water outlet adaptor gasket (6) to the engine.
  3. Install the 2 engine water outlet adaptor bolts (5) to the engine water adaptor (1) and tighten to 10 N·m (89 lb in).
  4. Connect the engine coolant temperature sensor wiring harness plug (4) to the engine coolant temperature sensor (3).

  5. 2511764
  6. Install the thermostat bypass hose (7) with the thermostat bypass hose clip (6) to the engine water outlet adaptor (3).
  7. Install the heater inlet hose (4) with the heater inlet hose clip (5) to the engine water outlet adaptor (3).
  8. Install the radiator inlet hose (1) with the radiator inlet hose clip (2) to the engine water outlet adaptor (3).

  9. 2511763
  10. Install the engine wiring harness bracket (1) to the engine water outlet adaptor.
  11. Install the 2 engine wiring harness bracket and engine water outlet adaptor bolts (2) to the engine water outlet adaptor and tighten to 10 N·m (89 lb in).
  12. Clip the 2 engine wiring harness retaining clips into the engine wiring harness bracket.
  13. Install the charge air cooler outlet front hose to the charge air cooler outlet front hose bracket. Install the charge air cooler outlet front hose to the charge air cooler outlet rear hose. Refer to Charge Air Cooler Outlet Hose Replacement : 2.0L Diesel LNP - MT → 2.0L Diesel LNP - AT → 2.0L Diesel LLW .
  14. Fill the cooling system. Refer to Cooling System Draining and Filling .
  15. Raise the vehicle.
  16. Install the front compartment insulator. Refer to Front Compartment Insulator Replacement .
  17. Lower the vehicle.
  18. Install the battery tray. Refer to Battery Tray Replacement .
  19. Install the engine control module. Refer to Engine Control Module Replacement .
  20. Connect the battery negative cable. Refer to Battery Negative Cable Disconnection and Connection .
  21. Install the engine sight shield. Refer to Engine Sight Shield Replacement .
   


© Copyright Chevrolet. All rights reserved