To the top of the document
Cruze
   
GMDE Start Page Load static TOC Load dynamic TOC Help?

Front Compartment Fuse Block Replacement

Removal Procedure

  1. Disconnect the battery negative cable. Refer to Battery Negative Cable Disconnection and Connection .
  2. Remove the front compartment fuse block cover. Refer to Front Compartment Fuse Block Cover Replacement .

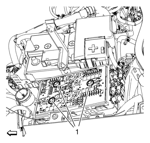
  3. 2191906

    Note:  Bolts (1) are encapsulated on the end of threads so that they cannot be removed from the fuse block.

  4. Remove the 3 front compartment fuse block bolts (1) and the front compartment fuse block wiring harness supply (2).
  5. Unlock retaining tabs and remove the front compartment fuse block (3).

Installation Procedure


    2191907
  1. Push down the 3 electrical connectors (3) before installation of the front compartment fuse block (2).
  2. Caution: Refer to Fastener Caution in the Preface section.

  3. Install the front compartment fuse block wiring harness supply (1) and tighten to 12 N·m (106 lb in).

  4. 2191908
  5. Install 3 front compartment fuse block bolts (1) and tighten to 6 N·m (53 lb in).
  6. Install the front compartment fuse block cover. Refer to Front Compartment Fuse Block Cover Replacement .
  7. Connect the battery negative cable. Refer to Battery Negative Cable Disconnection and Connection .
   


© Copyright Chevrolet. All rights reserved