Cruze |
||||||||
|
|
|
|||||||

Master Electrical Component List
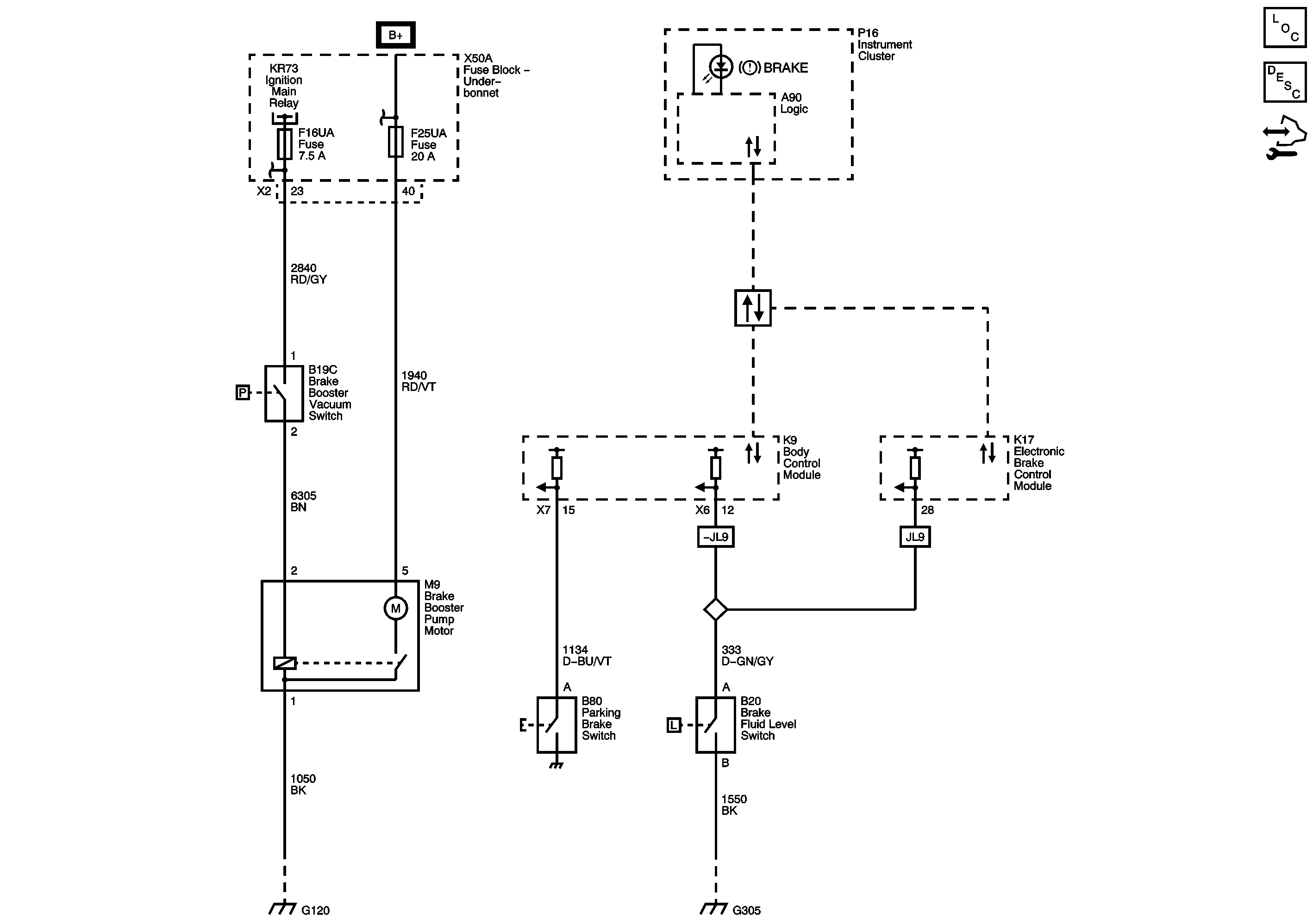
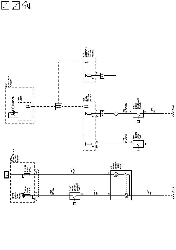
Hydraulic Brake System Description and Operation
F2UA, F21UA, F25UA, F27UA, F31UA, F32UA, F34UA, F35UA, F69UA, and F70UA Fuses
F16UA, F17UA, F18UA, F20UA, F52UA, F54UA, and F57UA Fuses
G120, G121, G122, G201, and G204
| © Copyright Chevrolet. All rights reserved |