To the top of the document
Cruze
   
GMDE Start Page Load static TOC Load dynamic TOC Help?

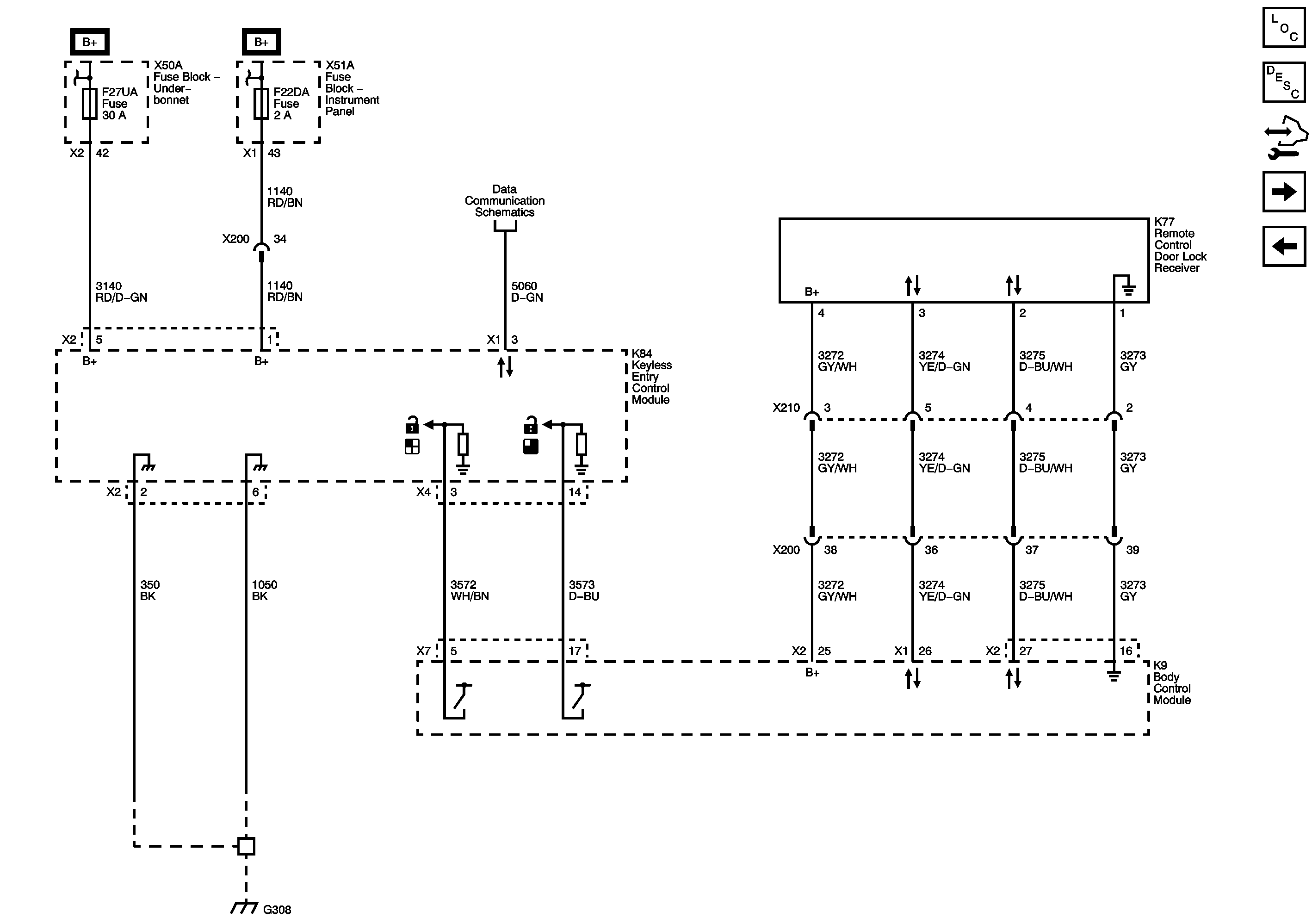
Keyless and Passive Entry (ATH)



            |                         |            
2443762EN.png

Display graphic

Master Electrical Component List

Keyless Entry System Description and Operation with ATH

Control Module References

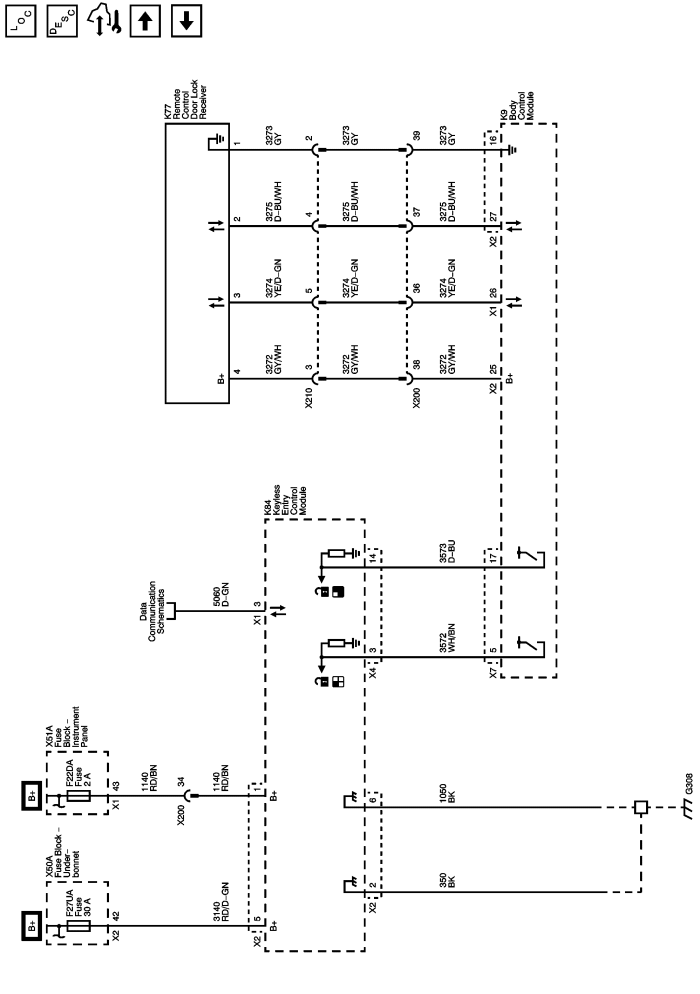
Keyless Entry (without ATH)

Master Electrical Schematic Icons

   


© Copyright Chevrolet. All rights reserved