To the top of the document
Cruze
   
GMDE Start Page Load static TOC Load dynamic TOC Help?

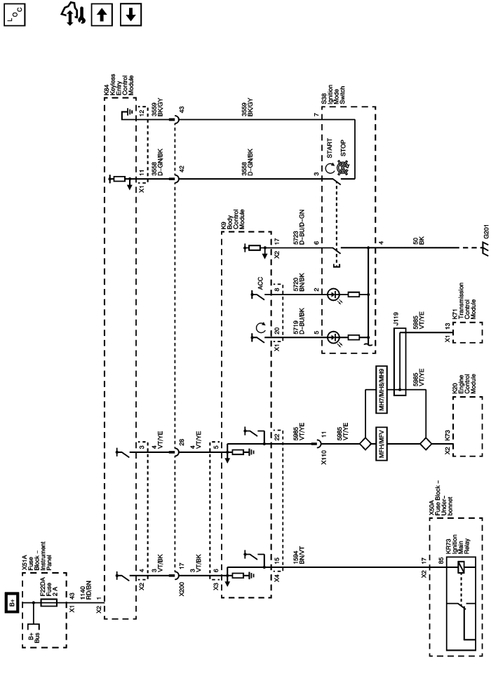
Ignition Switch and Fuse F22DA (ATH)



            |                         |            
2443726EN.png

Display graphic

Master Electrical Component List

Control Module References

F47UA, F59UA, and F62UA Fuses

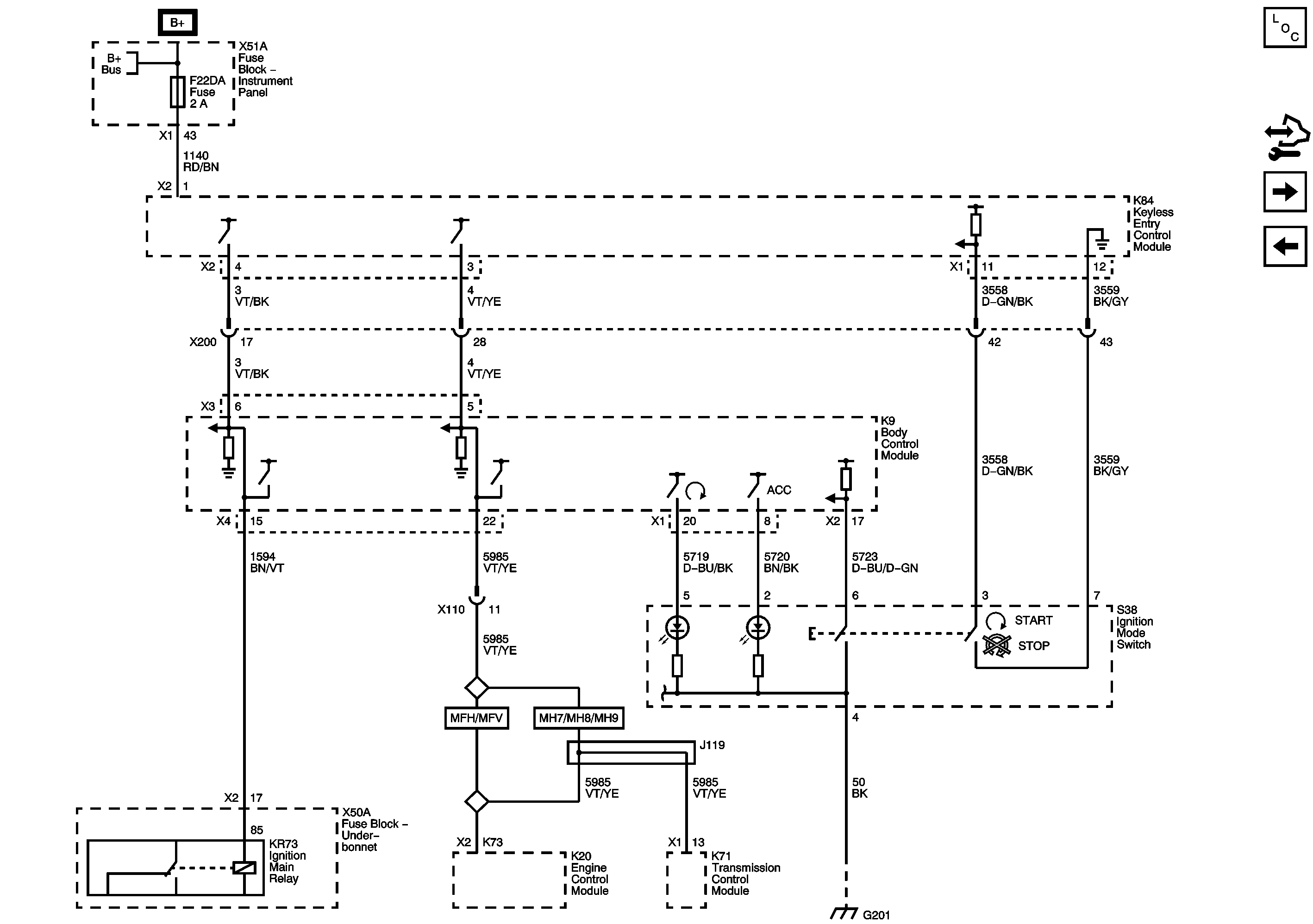
Ignition Switch and Fuse F22DA (without ATH)

   


© Copyright Chevrolet. All rights reserved