To the top of the document
Cruze
   
GMDE Start Page Load static TOC Load dynamic TOC Help?

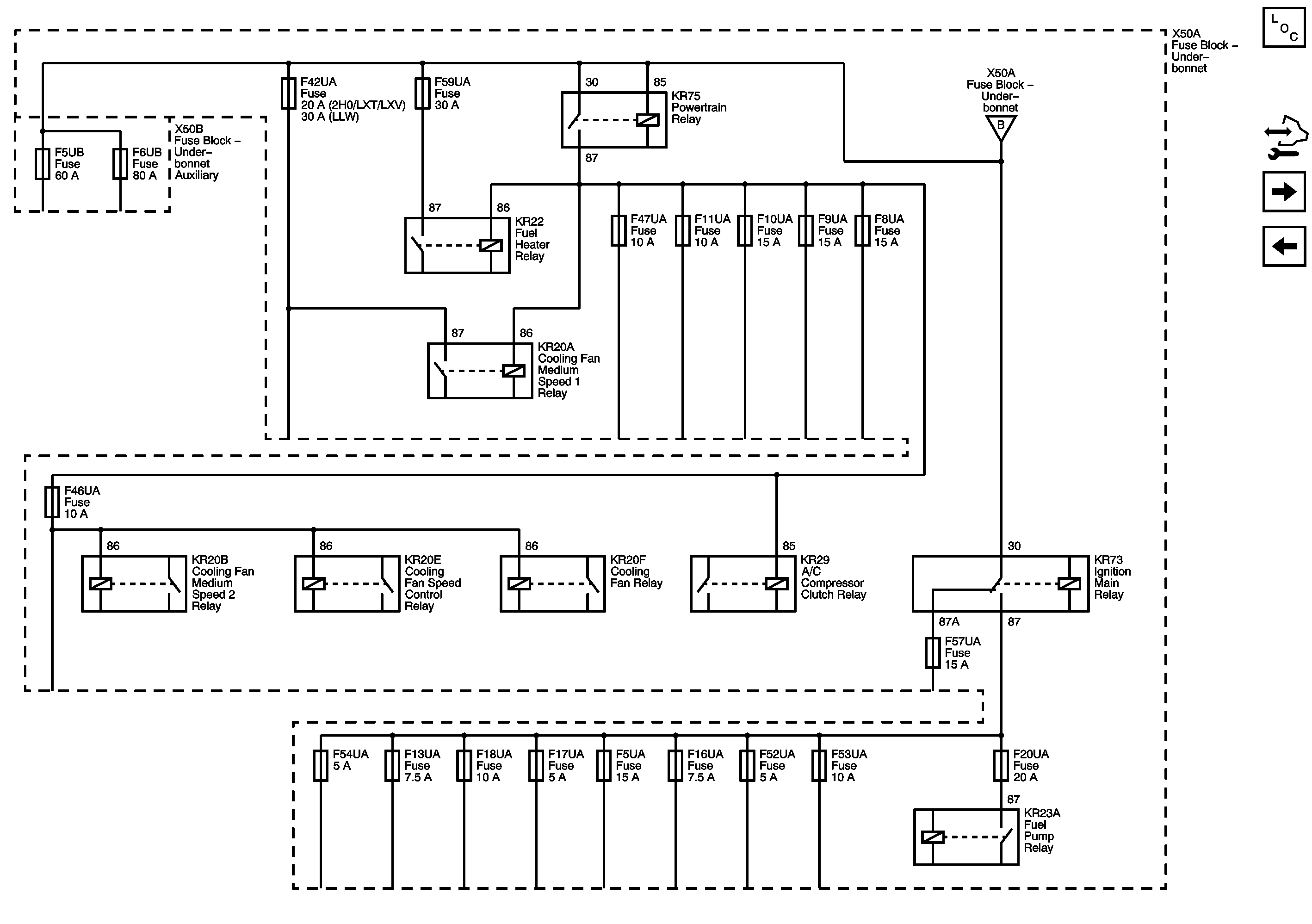
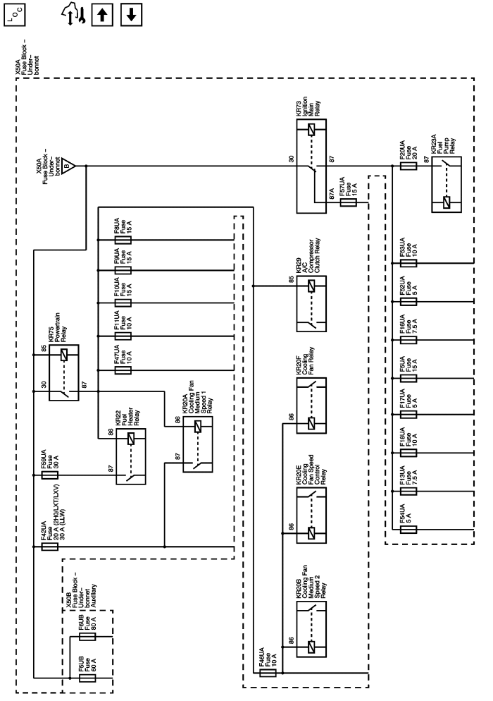
B+ Bus (2 of 3)



            |                         |            
2443717EN.png

Display graphic

Master Electrical Component List

Control Module References

B+ Bus (3 of 3)

B+ Bus (1 of 3)

   


© Copyright Chevrolet. All rights reserved