Cruze |
||||||||
|
|
|
|||||||

Master Electrical Component List
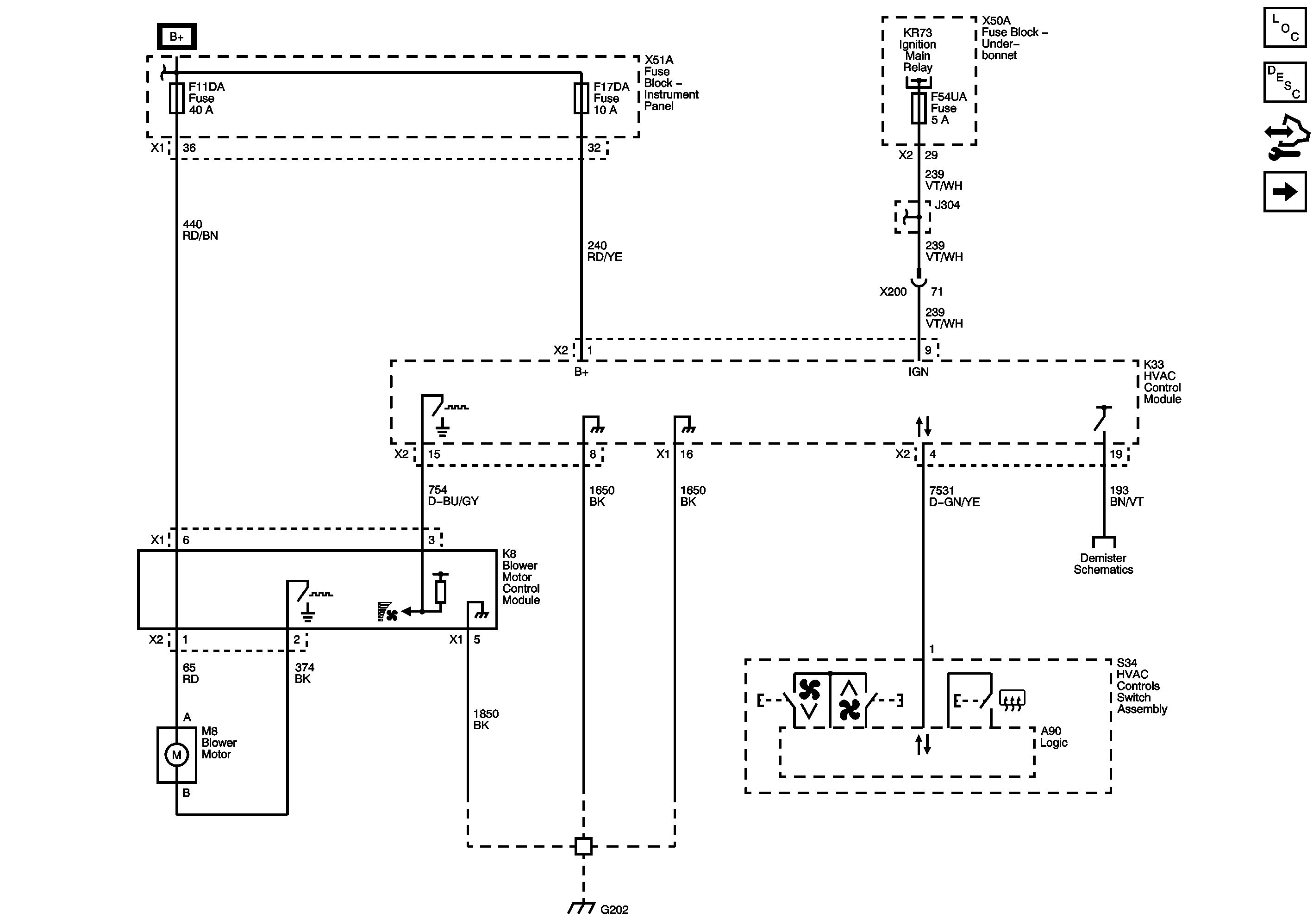
Manual HVAC Description and Operation
Air Delivery and Temperature Controls
F12DA and F13DA Circuit Breakers, and F14DA, F15DA, F17DA, F21DA, F23DA, F24DA, and F25DA Fuses
F16UA, F17UA, F18UA, F20UA, F52UA, F54UA, and F57UA Fuses
F3DA, F3UD, F6UD, F8DA, F9DA, F10DA, F11DA, and F16DA Fuses
| © Copyright Chevrolet. All rights reserved |