Cruze |
||||||||
|
|
|
|||||||

Master Electrical Component List
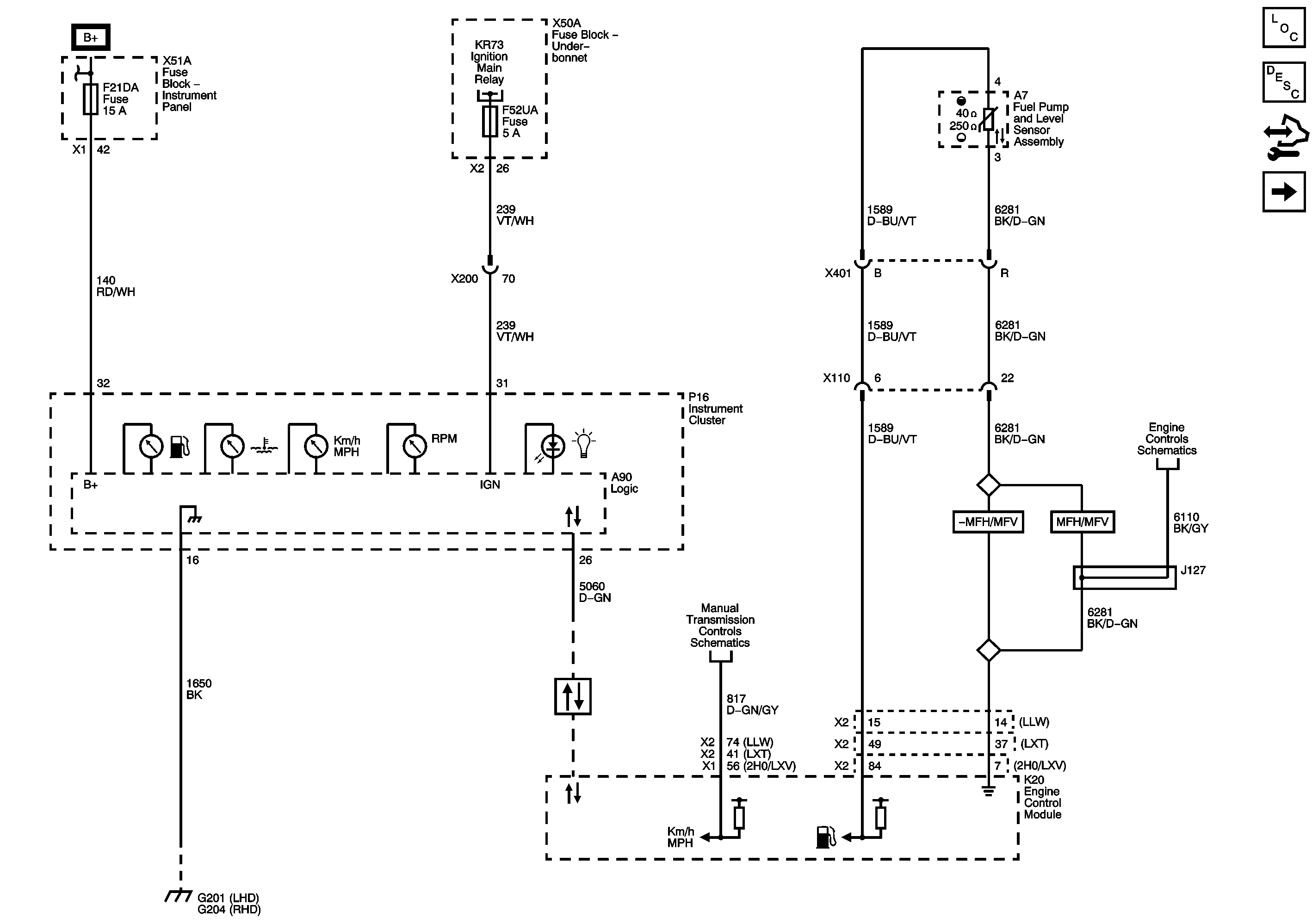
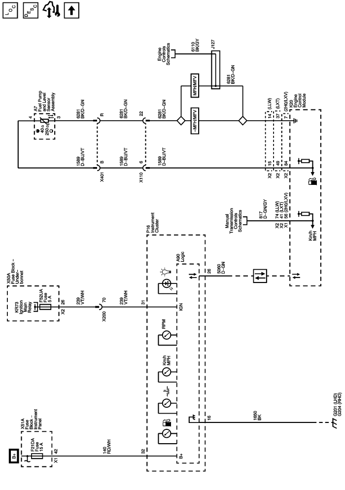
Instrument Cluster Description and Operation
F12DA and F13DA Circuit Breakers, and F14DA, F15DA, F17DA, F21DA, F23DA, F24DA, and F25DA Fuses
F16UA, F17UA, F18UA, F20UA, F52UA, F54UA, and F57UA Fuses
Controlled/Monitored Subsystem References
Ground Distribution Schematics
| © Copyright Chevrolet. All rights reserved |