To the top of the document
Cruze
   
GMDE Start Page Load static TOC Load dynamic TOC Help?

Generator Replacement — 1.6L LXT,L2W

Removal Procedure

  1. Open bonnet.
  2. Disconnect battery negative cable. Refer to Battery Negative Cable Disconnection and Connection .
  3. Remove the drive belt. Refer to Alternator, Air Conditioning Compressor, and Power Steering Pump Belt Replacement .

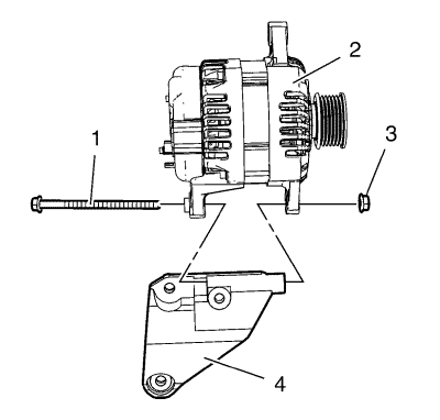
  4. 2188913
  5. Remove the generator stud (1).
  6. Loosen the generator fastener (3).
  7. Remove the 3 generator bracket bolts (4).
  8. Remove the generator (2) and generator bracket.

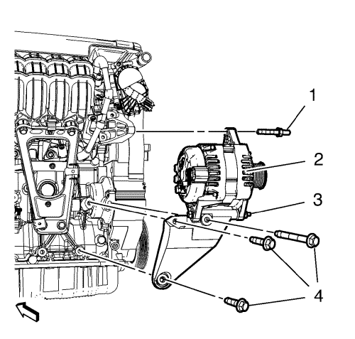
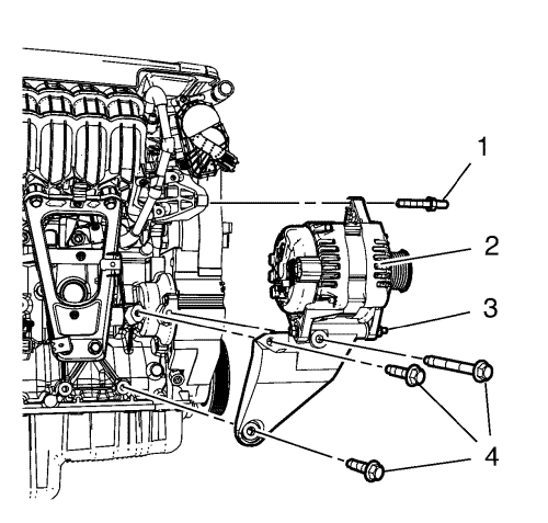
  9. 2188914
  10. Remove the generator fastener nut (3).
  11. Remove the generator fastener bolt (1).
  12. Remove the generator bracket (4) from the generator (2).

Installation Procedure


    2188914
  1. Install the generator bracket (4) to the generator (2).
  2. Install the generator fastener bolt (1).
  3. Install the generator fastener nut (3).

  4. 2189012
  5. Install the generator (2) and generator bracket.
  6. Caution: Refer to Fastener Caution in the Preface section.

  7. Install the 3 generator bracket bolts (4) and tighten to 20 N·m (15 lb ft).
  8. Install the generator stud (1) and tighten to 22 N·m (17 lb ft).
  9. Tighten the generator fastener (3) to 25 N·m (19 lb ft).
  10. Install the drive belt. Refer to Alternator, Air Conditioning Compressor, and Power Steering Pump Belt Replacement .
  11. Connect battery negative cable. Refer to Battery Negative Cable Disconnection and Connection .
  12. Close bonnet.
   


© Copyright Chevrolet. All rights reserved