To the top of the document
Cruze
   
GMDE Start Page Load static TOC Load dynamic TOC Help?

Rocker Inner Panel Replacement - MIG-Brazing

Note : According to different corrosion warranties, only the regional mandatory joining methods are allowed.

Removal Procedure

    Warning : Refer to Approved Equipment for Collision Repair Warning in the Preface section.

    Warning : Refer to Collision Sectioning Warning in the Preface section.

    Warning : Refer to Glass and Sheet Metal Handling Warning in the Preface section.

  1. Disable the SIR System. Refer to SIR Disabling and Enabling .
  2. Disconnect the negative battery cable. Refer to Battery Negative Cable Disconnection and Connection .
  3. Remove all related panels and components.
  4. Visually inspect the damage. Repair as much of the damage as possible.
  5. Remove the sealers and anti-corrosion materials from the repair area, as necessary. Refer to Anti-Corrosion Treatment and Repair : Base .

  6. 2027325
  7. Create cut lines on the body side inner panel.

  8. 2027326

    Note : Do not damage any inner panels or reinforcements.

  9. Cut the panel where sectioning is to be performed.

  10. 2027327
  11. Locate and mark all the necessary factory welds of the body side inner panel.
  12. Drill all factory welds.

  13. 2027328
  14. Remove the body side inner panel.

  15. 2027329
  16. Locate and mark all the necessary factory welds of the rocker inner panel.
  17. Drill all factory welds.

  18. 2027330
  19. Remove the damaged rocker inner panel.

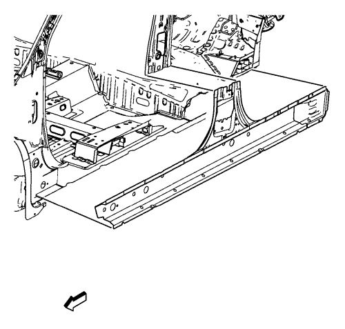
Installation Procedure

  1. Align the rocker inner panel.
  2. Clean and prepare the attaching surfaces for spot welding.
  3. Apply structural adhesive to all attaching surfaces.

  4. 2027330
  5. Position the rocker inner panel on the vehicle.
  6. Verify the fit of the quarter outer panel.
  7. Clamp the rocker inner panel into position.

  8. 2188918
  9. Spot weld accordingly.

  10. 2188921
  11. Spot weld accordingly.

  12. 2188920
  13. Braze accordingly.
  14. To create a solid braze with minimum heat distortion, make 25 mm (1 in) stitch brazes along the seam with 25 mm (1 in) gaps between them. Then go back and complete the stitch braze.
  15. Apply the sealers and anti-corrosion materials to the repair area, as necessary. Refer to Anti-Corrosion Treatment and Repair : Base .
  16. Paint the repaired area. Refer to Basecoat/Clearcoat Paint Systems .
  17. Install all related panels and components.
  18. Connect the negative battery cable. Refer to Battery Negative Cable Disconnection and Connection .
  19. Enable the SIR system. Refer to SIR Disabling and Enabling .
   


© Copyright Chevrolet. All rights reserved