To the top of the document
Cruze
   
GMDE Start Page Load static TOC Load dynamic TOC Help?

Front Wheelhouse Panel Rear Reinforcement Replacement - MIG-Brazing

Note : According to different corrosion warranties, only the regional mandatory joining methods are allowed.

Removal Procedure

    Warning : Refer to Approved Equipment for Collision Repair Warning in the Preface section.

    Warning : Refer to Glass and Sheet Metal Handling Warning in the Preface section.

  1. Disable the SIR System. Refer to SIR Disabling and Enabling .
  2. Disconnect the negative battery cable. Refer to Battery Negative Cable Disconnection and Connection .
  3. Remove all related panels and components.
  4. Visually inspect the damage. Repair as much of the damage as possible.
  5. Remove the sealers and anti-corrosion materials from the repair area, as necessary. Refer to Anti-Corrosion Treatment and Repair : Base .

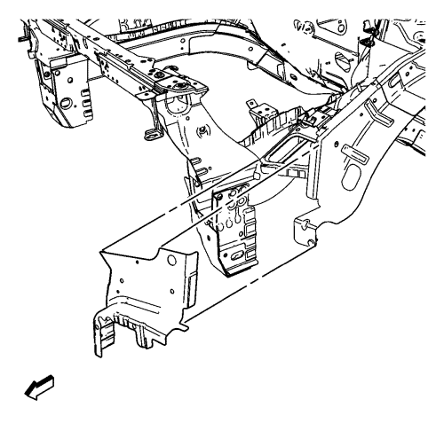
  6. 2027243
  7. Locate and mark all the necessary factory welds of the front wheelhouse panel rear reinforcement.
  8. Drill all factory welds. Note the number and location of welds for installation of the service assembly.

  9. 2027244
  10. Remove the front wheelhouse panel rear reinforcement.

Installation Procedure


    2027245
  1. Create 5 x 18 mm (4/16 x 11/16 in) slots for MIG-Brazing along the edges of the front wheelhouse panel rear reinforcement as noted from the original panel.

  2. 2027246
  3. Create a 5 x 18 mm (4/16 x 11/16 in) slot for MIG-Brazing where front wheelhouse front panel and front wheelhouse panel rear reinforcement overlap.
  4. Clean and prepare the attaching surfaces for brazing.

  5. 2027244
  6. Position the front wheelhouse panel rear reinforcement on the vehicle.
  7. Verify the fit of the front wheelhouse panel rear reinforcement.
  8. Clamp the front wheelhouse panel rear reinforcement into position.

  9. 2027247
  10. Braze accordingly.

  11. 2027248
  12. Braze the joint from front wheelhouse panel rear reinforcement to front wheelhouse front panel accordingly.
  13. Apply the sealers and anti-corrosion materials to the repair area, as necessary. Refer to Anti-Corrosion Treatment and Repair : Base .
  14. Paint the repaired area. Refer to Basecoat/Clearcoat Paint Systems .
  15. Install all related panels and components.
  16. Connect the negative battery cable. Refer to Battery Negative Cable Disconnection and Connection .
  17. Enable the SIR system. Refer to SIR Disabling and Enabling .
   


© Copyright Chevrolet. All rights reserved