To the top of the document
Cruze
   
GMDE Start Page Load static TOC Load dynamic TOC Help?

Battery Current Sensor Replacement

Removal Procedure

  1. Disconnect the battery negative cable. Refer to Battery Negative Cable Disconnection and Connection .

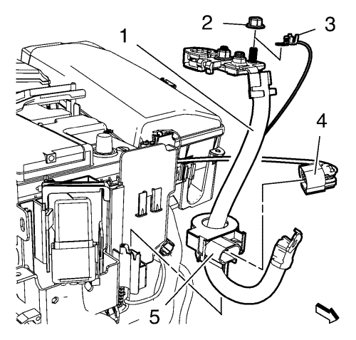
  2. 2027762
  3. Remove the negative cable nut (1).
  4. Remove the negative cable (2).

  5. 2027817
  6. Disconnect the wiring harness current sensor plug (4).
  7. Remove the current sensor (5) from the battery tray.

  8. 2027819
  9. Remove the current sensor (2) from the battery negative cable (1).

Installation Procedure


    2027819
  1. Install the current sensor (2) at the battery negative cable (1).

  2. 2027817
  3. Install the current sensor (5) at the battery tray.
  4. Connect the wiring harness current sensor plug (4).

  5. 2027762
  6. Install the negative cable (2).
  7. Caution: Refer to Fastener Caution in the Preface section.

  8. Install the negative cable nut (1) and tighten to 9 N·m (80 lb in).
  9. Connect the battery negative cable. Refer to Battery Negative Cable Disconnection and Connection .
   


© Copyright Chevrolet. All rights reserved