To the top of the document
Cruze
   
GMDE Start Page Load static TOC Load dynamic TOC Help?

Strut Assembly Removal and Installation

Special Tools

CH 49375 Wrench

For equivalent regional tools, refer to Special Tools .

Removal Procedure

  1. Raise and support the vehicle. Refer to Lifting and Jacking the Vehicle .
  2. Remove the tyre and wheel assembly. Refer to Tyre and Wheel Removal and Installation .

  3. 2027759
  4. Separate the brake hose (1) from the shock absorber.

  5. 2027760
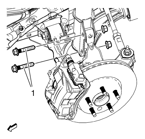
  6. Remove and DISCARD the steering knuckle nuts and bolts (1).

  7. 2027766
  8. Remove the stabiliser shaft link nut (1) from the front strut.
  9. Lower the vehicle.
  10. Open the bonnet.

  11. 2027761
  12. Remove the upper strut mount nut (1), use the CH 49375 wrench.
  13. Remove the strut mounting plate (2).
  14. Separate the front strut from the knuckle.
  15. Remove the front strut assembly from the vehicle.
  16. For servicing the individual strut components, refer to Strut, Strut Component, or Spring Replacement .

Installation Procedure

  1. Install the front strut assembly.
  2. Caution: Refer to Fastener Caution in the Preface section.

    Caution: Refer to Torque-to-Yield Fastener Caution in the Preface section.


    2027761
  3. Install the strut mounting plate (2).
  4. Install the upper strut mount nut (1), using the CH 49375 wrench and tighten to 45 N·m (34 lb ft).

  5. 2027760
  6. Insert the front strut in the knuckle.
  7. Install the NEW steering knuckle nuts and bolts (1) and tighten to 90 N·m (66 lb ft) +60-70 °.

  8. 2027766
  9. Install the stabiliser shaft link nut (1) and tighten to 65 N·m (48 lb ft).

  10. 2027759
  11. Install the brake hose (1) to the strut.
  12. Install the front tyre and wheel assembly. Refer to Tyre and Wheel Removal and Installation .
  13. Lower the vehicle.
  14. Check the front end alignment specifications. Refer to Wheel Alignment Specifications .
   


© Copyright Chevrolet. All rights reserved