To the top of the document
Cruze
   
GMDE Start Page Load static TOC Load dynamic TOC Help?

Auxiliary Heater Core Replacement

Removal Procedure

  1. Disconnect the negative battery cable. Refer to Battery Negative Cable Disconnection and Connection .
  2. Remove instrument panel compartment assembly. Refer to Instrument Panel Compartment Replacement .
  3. Remove instrument panel lower trim panel. Refer to Instrument Panel Lower Trim Panel Replacement - Right Side .

  4. 2027683
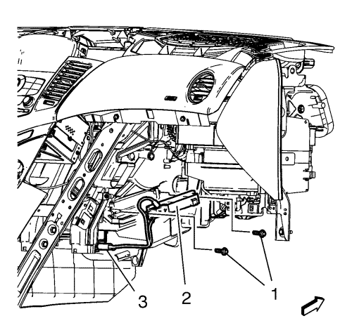
  5. Remove the 2 instrument panel bolts (1).

  6. 2027710

    Note: Pull back the instrument panel compartment (4) from the instrument panel compartment bracket just far enough to gain access to the instrument panel compartment lower bracket bolt (3).

  7. Remove instrument panel compartment lower bracket (2).
  8. Remove instrument panel compartment lower bracket bolts (1, 3).


    2027718
  9. Remove auxiliary heater core (2).
  10. • Remove the 2 auxiliary heater core bolts (1).
    • Disconnect auxiliary heater core wiring harness plug .

Installation Procedure


    2027718

    Caution: Refer to Fastener Caution in the Preface section.

  1. Install auxiliary heater core (2).
  2. • Install the 2 auxiliary heater core bolts (1) and tighten to 2.5 N·m (22 lb in).
    • Connect auxiliary heater core wiring harness plug.

    2027710

    Note: Pull back the instrument panel compartment (4) from the instrument panel compartment bracket just far enough to gain access to the instrument panel compartment lower bracket bolt (3).

  3. Install instrument panel compartment lower bracket (2).
  4. Install instrument panel compartment lower bracket bolts (1, 3) and tighten to 9 N·m (80 lb in).


    2027683
  5. Install the 2 instrument panel bolts (1) and tighten to 2.5 N·m (22 lb in).
  6. Install instrument panel lower trim panel. Refer to Instrument Panel Lower Trim Panel Replacement - Right Side .
  7. Install instrument panel compartment assembly. Refer to Instrument Panel Compartment Replacement .
  8. Connect the negative battery cable. Refer to Battery Negative Cable Disconnection and Connection .
   


© Copyright Chevrolet. All rights reserved