To the top of the document
Cruze
   
GMDE Start Page Load static TOC Load dynamic TOC Help?

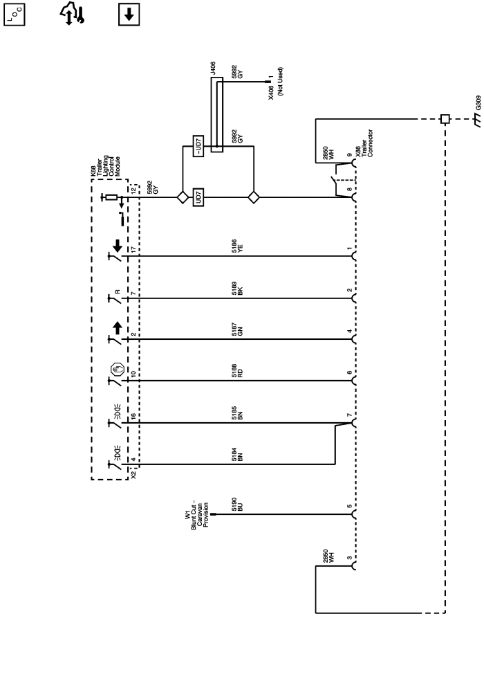
X88 Trailer Connector (Holden Genuine Accessory)



            |                         |            
2552618EN.png

Display graphic

Master Electrical Component List

Control Module References

Power, Ground, Serial Data, and Brake Applied Signal (Holden Genuine Accessory)

   


© Copyright Chevrolet. All rights reserved