To the top of the document
Cruze
   
GMDE Start Page Load static TOC Load dynamic TOC Help?

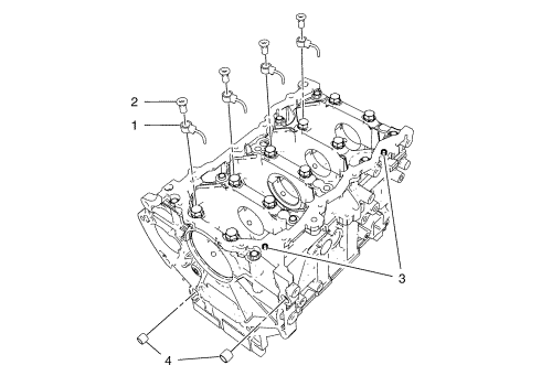
Engine Block


2512587
(1)Piston Oil Nozzle
(2)Piston Oil Nozzle Bolt
(3)Lower Crankcase Locating Pin
(4)Transmission Locating Pin
   


© Copyright Chevrolet. All rights reserved