To the top of the document
Cruze
   
GMDE Start Page Load static TOC Load dynamic TOC Help?

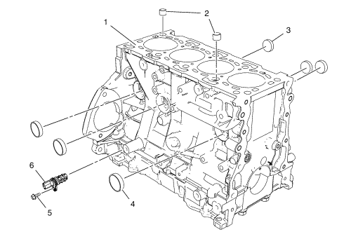
Engine Block


2512586
(1)Engine Block
(2)Cylinder Head Locating Pin
(3)Engine Block Core Hole Plug
(4)Engine Block Core Hole Plug
(5)Crankshaft Position Sensor Bolt
(6)Crankshaft Position Sensor
   


© Copyright Chevrolet. All rights reserved