Cruze |
||||||||
|
|
|
|||||||
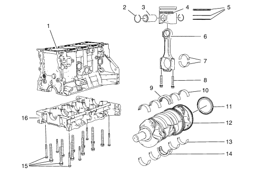
| (1) | Engine Block |
| (2) | Gudgeon pin Retainer |
| (3) | Gudgeon pin |
| (4) | Piston |
| (5) | Piston Ring Set |
| (6) | Connecting Rod |
| (7) | Big end bearing |
| (8) | Connecting Rod Bolts |
| (9) | Crankshaft Thrust Bearing - Upper |
| (10) | Crankshaft Bearing - Upper |
| (11) | Crankshaft Rear Oil Seal |
| (12) | Crankshaft |
| (13) | Crankshaft Bearing - Lower |
| (14) | Crankshaft Thrust Bearing - Lower |
| (15) | Lower Crankcase Bolt |
| (16) | Lower Crankcase |
| © Copyright Chevrolet. All rights reserved |