To the top of the document
Cruze
   
GMDE Start Page Load static TOC Load dynamic TOC Help?

Fuel Injection Fuel Rail Assembly Replacement

Special Tools

EN-50434 Dust Cap - Fuel Rail Port

For equivalent regional tools, refer to Special Tools .

Removal Procedure

  1. Remove the engine sight shield. Refer to Engine Sight Shield Replacement .
  2. Remove the fuel injection fuel feed pipe - fuel injection pump to fuel rail. Refer to Fuel Injection Fuel Feed Pipe Replacement - Fuel Injection Pump to Fuel Rail .
  3. Remove the fuel injection fuel feed pipe - fuel rail to fuel injector. Refer to Fuel Injection Fuel Feed Pipe Replacement - Fuel Rail to Fuel Injector .
  4. Close all connections with the EN-50434 plugs .

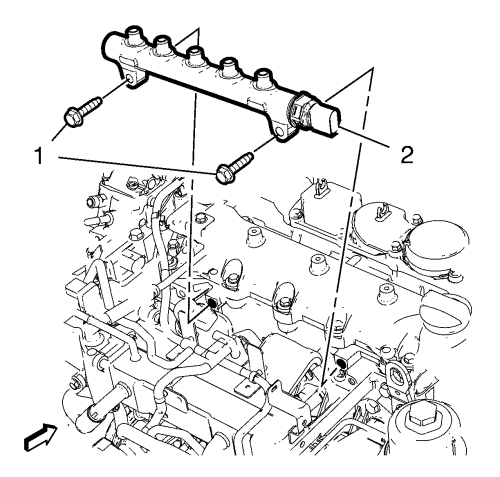
  5. 2373143
  6. Remove the 2 fuel injection fuel rail retaining bolts (1).
  7. Remove the fuel injection fuel rail (2).

Installation Procedure


    2373143
  1. Install the fuel injection fuel rail (2).
  2. Caution: Refer to Fastener Caution in the Preface section.

  3. Install 2 fuel injection fuel rail retaining bolts and tighten to 25 N·m (18 lb ft).
  4. Remove the EN-50434 plugs .
  5. Install the fuel injection fuel feed pipe - fuel rail to fuel injector. Refer to Fuel Injection Fuel Feed Pipe Replacement - Fuel Rail to Fuel Injector .
  6. Install the fuel injection fuel feed pipe - fuel injection pump to fuel rail. Refer to Fuel Injection Fuel Feed Pipe Replacement - Fuel Injection Pump to Fuel Rail .
  7. Install the engine sight shield. Refer to Engine Sight Shield Replacement .
   


© Copyright Chevrolet. All rights reserved