To the top of the document
Cruze
   
GMDE Start Page Load static TOC Load dynamic TOC Help?

Camshaft Bearing Cap Removal - Rear


    2373150
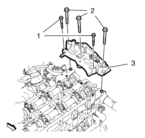
  1. Remove the 5 camshaft guide retaining bolts (2, 3).
  2. Note: Carefully detach from engine block, using a suitable tool. Do not damage sealing surfaces.

  3. Remove the camshaft guide (1).
   


© Copyright Chevrolet. All rights reserved