To the top of the document
Cruze
   
GMDE Start Page Load static TOC Load dynamic TOC Help?

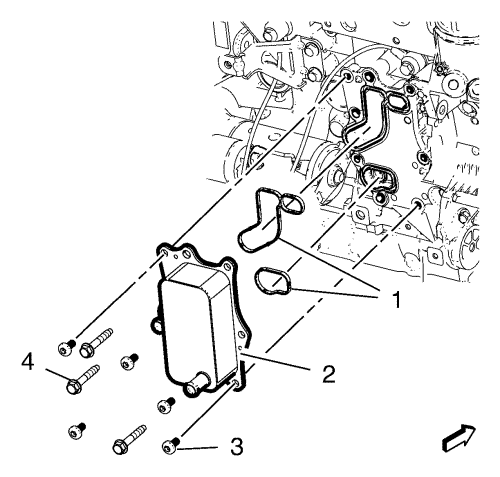
Engine Oil Cooler Removal


    2373183
  1. Remove the engine oil cooler retaining bolts (3, 4).
  2. Remove the engine oil cooler (2) in conjunction with the engine oil cooler gaskets (1).
   


© Copyright Chevrolet. All rights reserved